Načítavam, čakajte prosím ...
Ochrana pred bleskom a s ním súvisiacim nebezpečenstvom požiaru

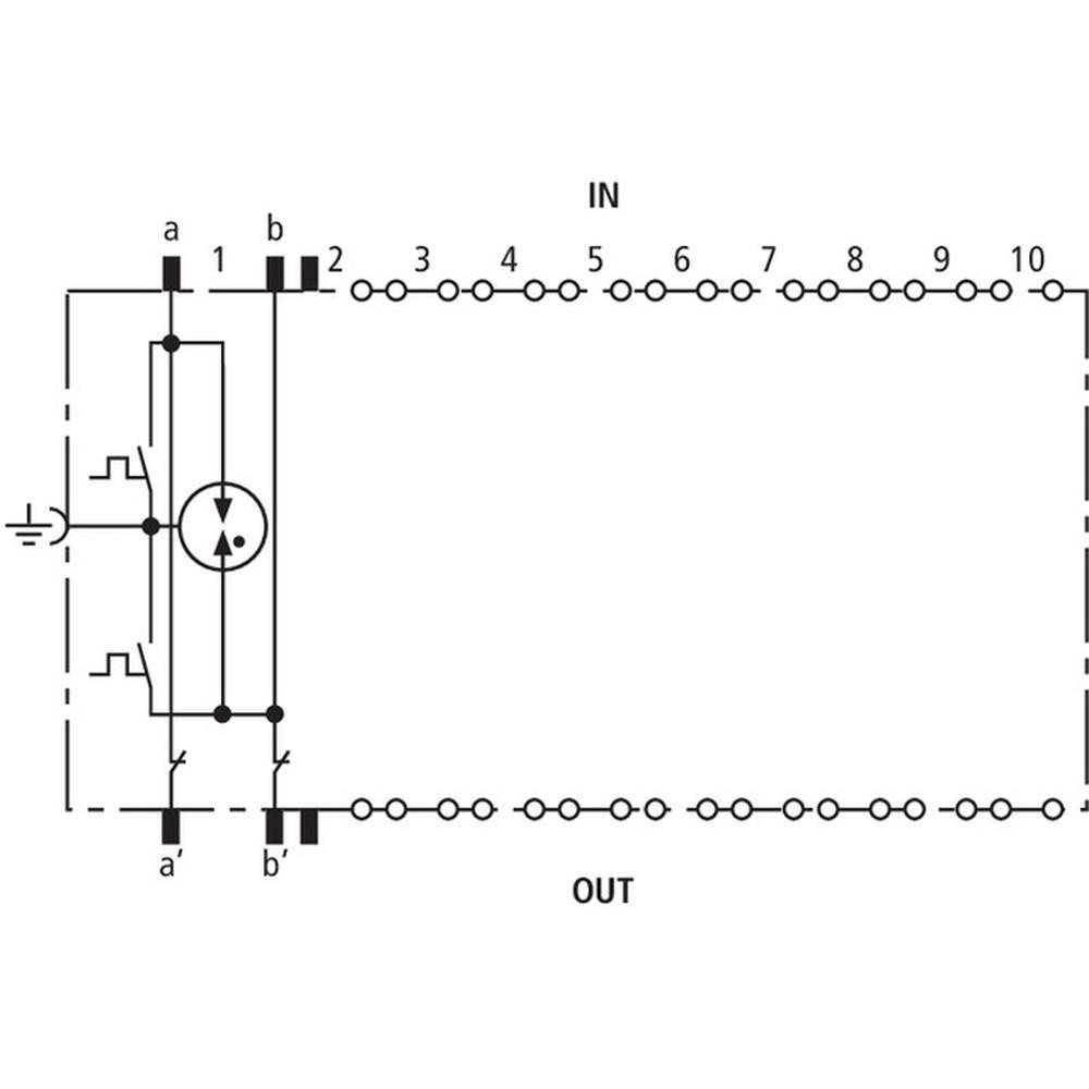
Zvodič bleskových prúdov DEHNrapid LSA pre 10DA

s funkciou "Fail-safe" a ukazovateľom poruchy

143,75 € s DPH
Na objednávku
Kód: 907401
Bezpečná funkcia: gas discharge tube with spring contacts
C2 Celkový menovitý vybíjací prúd (8/20 µs): 10
C2 Nominálny vybíjací prúd (8/20 µs) na vedenie: 5
D1 Bleskový impulzný prúd (10/350 µs) na vedenie: 2.5
D1 Celkový bleskový impulzný prúd (10/350 µs): 5
Farba: grey
Indikácia poruchy: visual, colour change
Kapacitná linka: ≤ 5 pF
Kapacitná linka-PG: ≤ 5 pF
Linka napäťovej ochrany pre Iimp D1: ≤ 500
Materiál krytu: polyamide PA 6.6
Max. trvalé prevádzkové napätie (AC): 127
Max. trvalé prevádzkové napätie (dc): 180
Menovité napätie: 180
Napäťová ochranná úroveň vedenia pri 1 kV/µs C3: ≤ 500
Nominálny prúd: 0.4
Rozsah prevádzkových teplôt: -40 °C ... +80 °C
Schválenia: EAC
Sériový odpor na linku: ≤ 0.005 ohms
Skúšobné normy: IEC 61643-21 / EN 61643-21
Stupeň ochrany: IP 10
triedy SPD: G
Úroveň ochrany napätia line-PG pre Iimp D1: ≤ 500
Úroveň ochrany napätia line-PG pri 1 kV/µs C3: ≤ 450
Uzemnenie cez: mounting frame
Zapája sa do: LSA disconnection block 2/10

Dokumenty na stiahnutie