Načítavam, čakajte prosím ...
Ochrana pred bleskom a s ním súvisiacim nebezpečenstvom požiaru

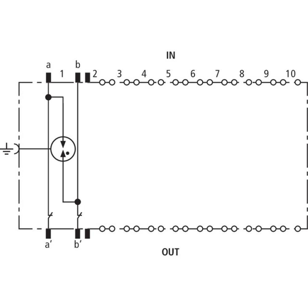
Zvodič bleskových prúdov DEHNrapid LSA pre 10DA

Zásuvný blok DRL 10 DA odolný bleskovým prúdom, osadený trojpólovými výbojkovými bleskoistkami, je vhodný pre takmer všetky použitia. Je možné ho rozšíriť pomocou modulov DRL na kombinovaný zvodič. Integrované rozpojovacie kontakty umožňujú pri zasunutom

116,20 € s DPH
Na objednávku
Kód: 907400
C2 Celkový menovitý vybíjací prúd (8/20 µs): 10
C2 Nominálny vybíjací prúd (8/20 µs) na vedenie: 5
D1 Bleskový impulzný prúd (10/350 µs) na vedenie: 2.5
D1 Celkový bleskový impulzný prúd (10/350 µs): 5
Farba: grey
Kapacitná linka: ≤ 5 pF
Kapacitná linka-PG: ≤ 5 pF
Linka napäťovej ochrany pre Iimp D1: ≤ 500
Materiál krytu: polyamide PA 6.6
Max. trvalé prevádzkové napätie (AC): 127
Max. trvalé prevádzkové napätie (dc): 180
Menovité napätie: 180
Napäťová ochranná úroveň vedenia pri 1 kV/µs C3: ≤ 500
Nominálny prúd: 0.4
Rozsah prevádzkových teplôt: -40 °C ... +80 °C
Schválenia: EAC
Sériový odpor na linku: ≤ 0.005 ohms
Skúšobné normy: IEC 61643-21 / EN 61643-21
Stupeň ochrany: IP 10
triedy SPD: G
Úroveň ochrany napätia line-PG pre Iimp D1: ≤ 500
Úroveň ochrany napätia line-PG pri 1 kV/µs C3: ≤ 450
Uzemnenie cez: mounting frame
Zapája sa do: LSA disconnection block 2/10

Dokumenty na stiahnutie