Načítavam, čakajte prosím ...
Ochrana pred bleskom a s ním súvisiacim nebezpečenstvom požiaru

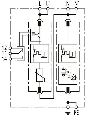
Svodič přepětí Typ 2+3 DEHNguard MP FM 1fázový Uc 275V TT+TN-S systémy

Vícepólový svodič přepětí DEHNguard M ACI, typ 2 podle EN 61643-11 s integrovanou kombinací ACI spínač/jiskřiště, skládající se ze základního dílu se zásuvnými ochrannými moduly a dvojité push-in připojovací svorky pro rozvětvené a průchozí zapojení. Vyso

191,35 € s DPH / ks
ks
Na objednávku
Kód: 942121
Hmotnosť: 0,25 kg

Dokumenty na stiahnutie