Načítavam, čakajte prosím ...
Ochrana pred bleskom a s ním súvisiacim nebezpečenstvom požiaru

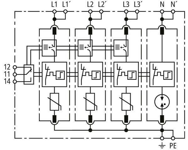
Svodič přepětí typ 2 DEHNguard MP

Vícepólový svodič přepětí DEHNguard M ACI, typ 2 podle EN 61643-11 s integrovanou kombinací ACI spínač/jiskřiště, skládající se ze základního dílu se zásuvnými ochrannými moduly a dvojité push-in připojovací svorky pro rozvětvené a průchozí zapojení. Vyso

385,52 € s DPH / ks
ks
Na objednávku
Kód: 942440
Hmotnosť: 0,38 kg

Dokumenty na stiahnutie