Načítavam, čakajte prosím ...
Ochrana pred bleskom a s ním súvisiacim nebezpečenstvom požiaru

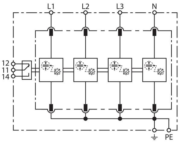
Kombi. svodič Typ 1+2+3 DEHNventil M2 4-pólový pro TN-S systémy s FM

Vícepólový kombinovaný svodič na bázi jiskřiště DEHNventil modular, typ 1 + typ 2 + typ 3 podle ČSN EN 61643-11, složený z jednoho základního dílu a jednoho zásuvného ochranného modulu. Vysoká provozní spolehlivost chráněných zařízení je zajištěna technol

1 274,83 € s DPH / ks
ks
Na objednávku
Kód: 956405
Hmotnosť: 0,58 kg

Dokumenty na stiahnutie