Načítavam, čakajte prosím ...
Ochrana pred bleskom a s ním súvisiacim nebezpečenstvom požiaru

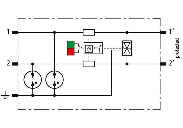
Kombinovaný svodič - ochranný modul pro 2 vodiče

Ochranný modul kombinovaného svodiče o šířce 6 mm pro BLITZDUCTORconnect, s ukazatelem stavu, pro ochranu 2 samostatných vodičů vysokofrekvenčních přenosů se společným vztažným potenciálem a nesymetrická rozhraní.

86,24 € s DPH / ks
ks
Na objednávku
Kód: 927074
Hmotnosť: 0,04 kg

Dokumenty na stiahnutie