Načítavam, čakajte prosím ...
Ochrana pred bleskom a s ním súvisiacim nebezpečenstvom požiaru

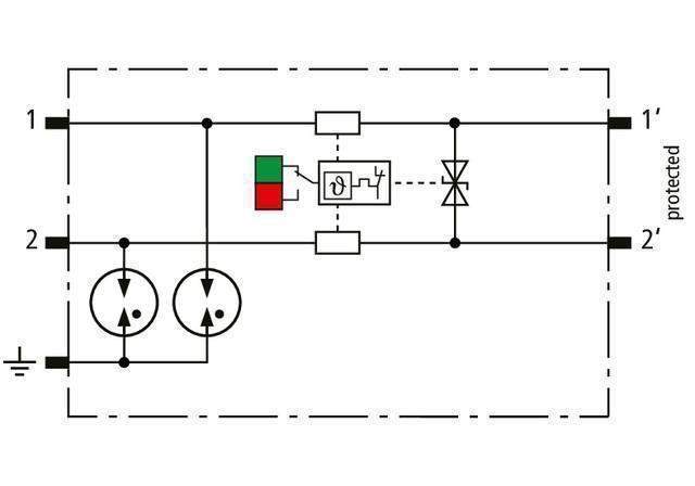
Kombinovaný svodič - ochranný modul pro 1 pár vodičů

Ochranný modul kombinovaného svodiče o šířce 6 mm pro BLITZDUCTORconnect s ukazatelem stavu, pro ochranu 1 páru vedení bezpotenciálových symetrických rozhraní.

79,28 € s DPH / ks
ks
Na objednávku
Kód: 927047
Hmotnosť: 0,04 kg

Dokumenty na stiahnutie