Načítavam, čakajte prosím ...
Ochrana pred bleskom a s ním súvisiacim nebezpečenstvom požiaru

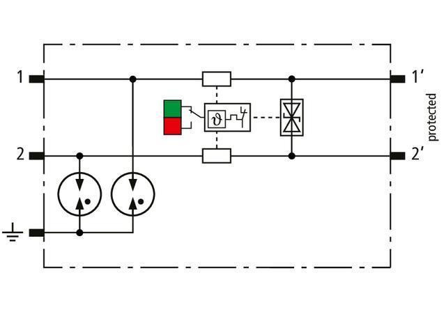
Modulární kombinovaný svodič pro 1 pár vodičů

Prostorově úsporný, modulární kombinovaný svodič o šířce 6 mm a připojovací technologií push-in, s ukazatelem stavu, pro ochranu 1 páru vedení bezpotenciálových vysokofrekvenčních BUS systémů a symetrických rozhraní. S rozpojením signálových cest pro účel

132,80 € s DPH / ks
ks
Na objednávku
Kód: 927275
Hmotnosť: 0,06 kg

Dokumenty na stiahnutie