Načítavam, čakajte prosím ...
Ochrana pred bleskom a s ním súvisiacim nebezpečenstvom požiaru

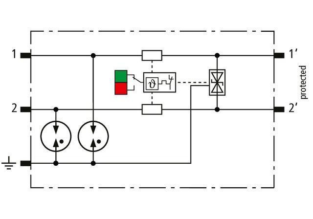
Modulární kombinovaný svodič pro 2 vodiče

Prostorově úsporný, modulární kombinovaný svodič o šířce 6 mm a připojovací technologií push-in, s ukazatelem stavu, pro ochranu 2 samostatných vodičů vysokofrekvenčních přenosů se společným vztažným potenciálem nebo nesymetrická rozhraní. S rozpojením si

132,80 € s DPH / ks
ks
Na objednávku
Kód: 927274
Hmotnosť: 0,06 kg

Dokumenty na stiahnutie