Načítavam, čakajte prosím ...
Ochrana pred bleskom a s ním súvisiacim nebezpečenstvom požiaru

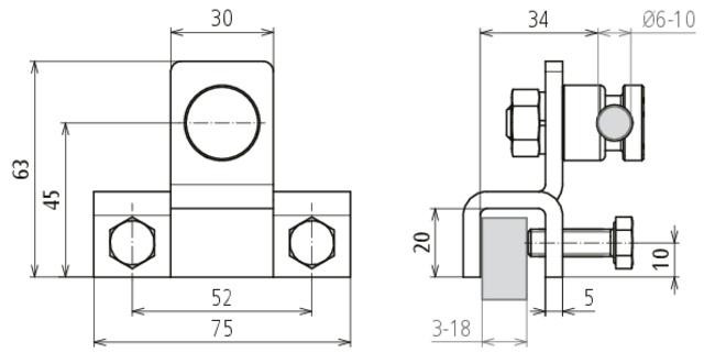
Připojovací svorka kolmá pro Ex zónu 2/22

Připojovací svorka pro ocelové nosníky podle ČSN EN 62561-1, pro připojení ocelových konstrukcí. Provedení kolmé se svorkou KS, připojení podélné nebo příčné. Šrouby jsou díky pérové podložce zajištěny proti samovolnému uvolnění. Vhodné pro použití v Ex z

19,08 € s DPH / ks
ks
Na objednávku
Kód: 372169
Hmotnosť: 0,29 kg

Dokumenty na stiahnutie