Načítavam, čakajte prosím ...
Ochrana pred bleskom a s ním súvisiacim nebezpečenstvom požiaru

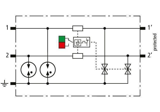
Modulárny zvodič pre 2 jednožilové BLITZDUCTORconnect w. indikácia poruchy

Ochranný modul kombinovaného zvodiča so šírkou 6 mm pre BLITZDUCTORconnect, s ukazovateľom stavu, na ochranu 2 samostatných vodičov so spoločným vzťažným potenciálom a nesymetrické rozhrania.

74,39 € s DPH
Na objednávku
Kód: 927024
C2 Celkový menovitý vybíjací prúd (8/20 µs): 10
C2 Nominálny vybíjací prúd (8/20 µs) na vedenie: 5
D1 Bleskový impulzný prúd (10/350 µs) na vedenie: 1.5
D1 Celkový bleskový impulzný prúd (10/350 µs): 3
Farba: yellow
Indikácia prevádzkového stavu / poruchy: green / red
Kategória impulzov: D1, C1, C2, C3, B2
Linka medznej frekvencie: 3.4
Materiál krytu: polyamide PA 6.6
Max. trvalé prevádzkové napätie (AC): 23.3
Max. trvalé prevádzkové napätie (dc): 33
Menovité napätie: 24
Napäťová ochranná úroveň vedenia pri 1 kV/µs C3: ≤ 85
Nominálny prúd pri 70 °C: 0.75
Rozsah prevádzkových teplôt: -40 °C ... +80 °C
Rozšírené technické údaje:: - - - - - - - - - - - - - - - - - - - -
Schválenia: UL, SIL
Schválenia ATEX: TUR XX ATEX XXXX.X: II 3G Ex ec IIC T4 Gc
Schválenia IECEx: IECEx TUR XX.XXXXX: Ex ec IIC T4 Gc
Sériový odpor na linku: 1
Skúšobné normy: IEC 61643-21 / EN 61643-21
Stupeň ochrany (so zapojeným ochranným modulom): IP 20
triedy SPD: M
Úroveň ochrany napätia line-PG pre In C1: ≤ 75
Úroveň ochrany napätia line-PG pre In C2: ≤ 75
Úroveň ochrany napätia line-PG pri 1 kV/µs C3: ≤ 45
Uzemnenie cez: BCO base part
Vedenie úrovne ochrany napätia pre In C1: ≤ 90
Vedenie úrovne ochrany napätia pre In C2: ≤ 90
Zapája sa do: BCO base part
– Max. vybíjací prúd (8/20 µs) [1/2 - PG], [1+2 - PG]: 20
– Úroveň ochrany napätia line-PG pri 1 kV/μs C3 po vystavení Imax: ≤ 45
– Výbojový prúd (8/20 µs) [1/2 - PG], [1+2 - PG]: 10 kA (10x)

Dokumenty na stiahnutie