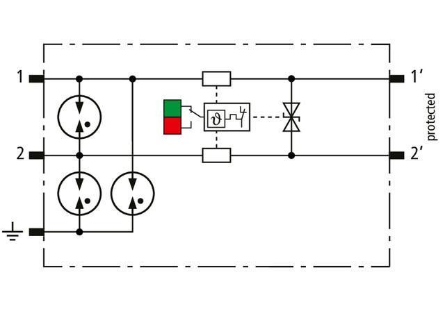
Priestorovo úsporný, modulárny kombinovaný zvodič so šírkou 6 mm a pripojovacou technológiou push-in, s ukazovateľom stavu, na ochranu 1 páru vedenia iskrovo bezpečných meracích obvodov a BUS systémov. Spĺňa požiadavky podľa FISCO, izolačná pevnosť >500 V
| Kód: | 927284 |
|---|---|
| C2 Celkový menovitý vybíjací prúd (8/20 µs): | 10 |
| C2 Nominálny vybíjací prúd (8/20 µs) na vedenie: | 5 |
| D1 Bleskový impulzný prúd (10/350 µs) na vedenie: | 1.5 |
| D1 Celkový bleskový impulzný prúd (10/350 µs): | 3 |
| Farba: | blue |
| Indikácia prevádzkového stavu / poruchy: | green / red |
| Kategória impulzov: | D1, C1, C2, C3, B2 |
| Linka medznej frekvencie: | 3.5 |
| Materiál krytu: | polyamide PA 6.6 |
| Max. trvalé prevádzkové napätie (AC): | 25.4 |
| Max. trvalé prevádzkové napätie (dc): | 36 |
| Menovité napätie: | 24 |
| Napäťová ochranná úroveň vedenia pri 1 kV/µs C3: | ≤ 48 |
| Nominálny prúd pri 80 °C: | 0.5 |
| Plocha prierezu (flexibilná): | 0.08-2.5 mm2 |
| Plocha prierezu (plná): | 0.08-2.5 mm2 |
| Pripojenie (vstup/výstup): | push-in / push-in |
| Rozsah prevádzkových teplôt: | -40 °C ... +80 °C |
| Rozšírené technické údaje:: | - - - - - - - - - - - - - - - - - - - - |
| Schválenia: | SIL, ATEX, IECEx |
| Schválenia ATEX (1): | TÜV 19 ATEX 8476 X: II (1)2 G Ex ia [ia Ga] IIC T4 ... T6 Gb |
| Schválenia ATEX (2): | TÜV 19 ATEX 8476 X: II 2 G Ex ib IIC T4 ... T6 Gb |
| Schválenia ATEX (3): | TÜV 19 ATEX 8476 X: II (1) D [Ex ia Da] IIIC |
| Schválenia IECEx (1): | IECEx TUR 20.0025X: Ex ia [ia Ga] IIC T4 ... T6 Gb |
| Schválenia IECEx (2): | IECEx TUR 20.0025X: Ex ib IIC T4 ... T6 Gb |
| Schválenia IECEx (3): | IECEx TUR 20.0025X: [Ex ia Da] IIIC |
| Sériový odpor na linku: | 1 |
| Skúšobné normy: | IEC 61643-21 / EN 61643-21 |
| Stupeň ochrany: | IP 20 |
| triedy SPD: | L |
| Úroveň ochrany napätia line-PG pre In C2: | ≤ 1100 |
| Úroveň ochrany napätia line-PG pri 1 kV/µs C3: | ≤ 1000 |
| Uzemnenie cez: | 35 mm DIN rails acc. to EN 60715 |
| Vedenie úrovne ochrany napätia pre In C2: | ≤ 65 |
| – Max. vybíjací prúd (8/20 µs) [1/2 - PG], [1+2 - PG]: | 20 |
| – Úroveň ochrany napätia line-PG pri 1 kV/μs C3 po vystavení Imax: | ≤ 1000 |
| – Výbojový prúd (8/20 µs) [1/2 - PG], [1+2 - PG]: | 10 kA (10x) |