Načítavam, čakajte prosím ...
Ochrana pred bleskom a s ním súvisiacim nebezpečenstvom požiaru

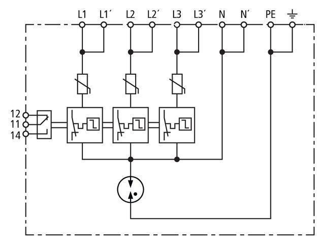
Svodič přepětí Typ 2+3 DEHNcube v rozvád. IP65 pro eMob vč. elektroměru

Připojovací skříňka DCU EMOB 2 25 C, typ 2 + typ 3, stupeň krytí IP 65, podle DIN EN IEC 61643-11 a 61439-2, včetně třífázového elektroměru, pro univerzální instalaci před Wallbox.

393,99 € s DPH / ks
ks
Na objednávku
Kód: 900903
Hmotnosť: 1,95 kg

Dokumenty na stiahnutie