Načítavam, čakajte prosím ...
Ochrana pred bleskom a s ním súvisiacim nebezpečenstvom požiaru

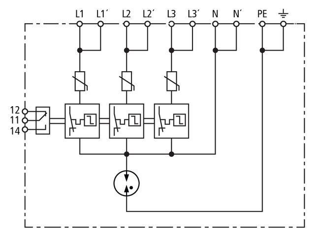
Svodič přepětí Typ 2+3 DEHNcube v rozváděči IP65 pro eMob

Připojovací skříňka DCU EMOB 2 16, typ 2 + typ 3, stupeň krytí IP 65, podle DIN EN IEC 61643-11 a 61439-2, pro univerzální instalaci před Wallbox.

149,88 € s DPH / ks
ks
Na objednávku
Kód: 900901
Hmotnosť: 1,07 kg

Dokumenty na stiahnutie