Načítavam, čakajte prosím ...
Ochrana pred bleskom a s ním súvisiacim nebezpečenstvom požiaru

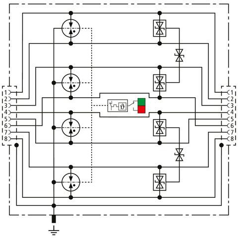
Kombinovaný svodič DEHNpatch do 10 Gbit

Univerzální, prostorově úsporný kombinovaný svodič o šířce 19 mm a konektory RJ45 s ukazatelem stavu pro snadnou údržbu. Chrání aplikace se strukturovanou kabeláží podle třídy EA do 500 MHz, např. Industrial Ethernet, datové distributory, digitální kamero

144,92 € s DPH / ks
ks
Na objednávku
Kód: 929161
Hmotnosť: 0,19 kg

Dokumenty na stiahnutie