Načítavam, čakajte prosím ...
Ochrana pred bleskom a s ním súvisiacim nebezpečenstvom požiaru

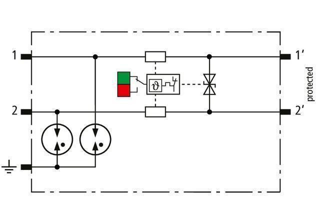
Modulárny kombinovaný zvodič pre 1 pár BLITZDUCTORconnect w. indikácia poruchy

Priestorovo úsporný, modulárny kombinovaný zvodič so šírkou 6 mm a pripojovacou technológiou push-in, s ukazovateľom stavu, na ochranu 1 páru vedení bezpotenciálových symetrických rozhraní. S rozpojením signálových ciest na účely údržby.

115,31 € s DPH
Na objednávku
Kód: 927245
C2 Celkový menovitý vybíjací prúd (8/20 µs): 10
C2 Nominálny vybíjací prúd (8/20 µs) na vedenie: 5
D1 Bleskový impulzný prúd (10/350 µs) na vedenie: 1.5
D1 Celkový bleskový impulzný prúd (10/350 µs): 3
Farba: yellow
Indikácia prevádzkového stavu / poruchy: green / red
Kategória impulzov: D1, C1, C2, C3, B2
Linka medznej frekvencie: 3.6
Materiál krytu: polyamide PA 6.6
Max. trvalé prevádzkové napätie (AC): 39.6
Max. trvalé prevádzkové napätie (dc): 56
Menovité napätie: 48
Napäťová ochranná úroveň vedenia pri 1 kV/µs C3: ≤ 70
Nominálny prúd pri 70 °C: 0.75
Plocha prierezu (flexibilná): 0.2-2.5 mm2
Plocha prierezu (plná): 0.2-2.5 mm2
Pripojenie (vstup/výstup): push-in / push-in
Rozsah prevádzkových teplôt: -40 °C ... +80 °C
Rozšírené technické údaje:: - - - - - - - - - - - - - - - - - - - -
Schválenia: UL, SIL
Schválenia ATEX: TUR XX ATEX XXXX.X: II 3G Ex ec IIC T4 Gc
Schválenia IECEx: IECEx TUR XX.XXXXX: Ex ec IIC T4 Gc
Sériový odpor na linku: 1
Skúšobné normy: IEC 61643-21 / EN 61643-21
Stupeň ochrany: IP 20
triedy SPD: L
Úroveň ochrany napätia line-PG pre In C1: ≤ 600
Úroveň ochrany napätia line-PG pre In C2: ≤ 600
Úroveň ochrany napätia line-PG pri 1 kV/µs C3: ≤ 600
Uzemnenie cez: 35 mm DIN rails acc. to EN 60715
Vedenie úrovne ochrany napätia pre In C1: ≤ 90
Vedenie úrovne ochrany napätia pre In C2: ≤ 90
– Max. vybíjací prúd (8/20 µs) [1/2 - PG], [1+2 - PG]: 20
– Úroveň ochrany napätia line-PG pri 1 kV/μs C3 po vystavení Imax: ≤ 600
– Výbojový prúd (8/20 µs) [1/2 - PG], [1+2 - PG]: 10 kA (10x)

Dokumenty na stiahnutie