Načítavam, čakajte prosím ...
Ochrana pred bleskom a s ním súvisiacim nebezpečenstvom požiaru

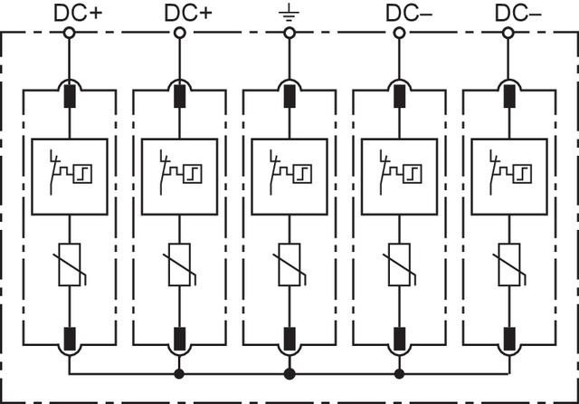
Svodič přepětí Typ 2 DEHNcube

Rozvodná skříň generátoru DCU 2 YPV 1100 2M 1S, stupeň krytí IP65. K ochraně dvou vstupů MPP a jednoho stringu podle normy DIN EN IEC 61439-2. Třístupňové stejnosměrné spínací zařízení s kombinovaným odpojovacím a zkratovacím zařízením s bezpečným elektri

240,18 € s DPH / ks
ks
Na objednávku
Kód: 900921
Hmotnosť: 2,14 kg

Dokumenty na stiahnutie