Načítavam, čakajte prosím ...
Ochrana pred bleskom a s ním súvisiacim nebezpečenstvom požiaru

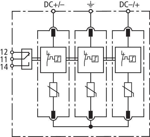
Svodič přepětí Typ 2 DEHNcube

Rozvodná skříň generátoru DCU 2 YPV 1100 1M 2S, stupeň krytí IP65. K ochraně jednoho vstupu MPP a dvou stringů podle normy DIN EN IEC 61439-2. Třístupňové stejnosměrné spínací zařízení s kombinovaným odpojovacím a zkratovacím zařízením s bezpečným elektri

189,56 € s DPH / ks
ks
Na objednávku
Kód: 900913
Hmotnosť: 1,59 kg

Dokumenty na stiahnutie