Načítavam, čakajte prosím ...
Ochrana pred bleskom a s ním súvisiacim nebezpečenstvom požiaru

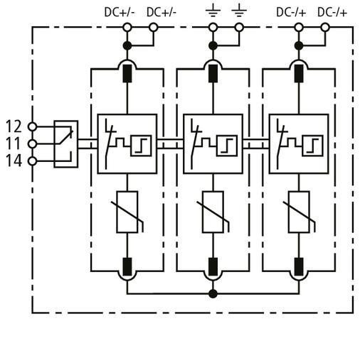
Svodič přepětí Typ 2+3 DEHNguard MP vícepólový pro FV aplikace do 1500V DC

Vícepólový svodič přepětí DEHNguard MP YPV, typ 2 podle EN 61643-31, skládající se ze základního dílu se zásuvnými ochrannými moduly a dvojité push-in připojovací svorky pro rozvětvené a průchozí zapojení. Vysoký stupeň bezpečnosti je zajištěn monitorovac

249,28 € s DPH / ks
ks
Na objednávku
Kód: 942567
Hmotnosť: 0,39 kg

Dokumenty na stiahnutie