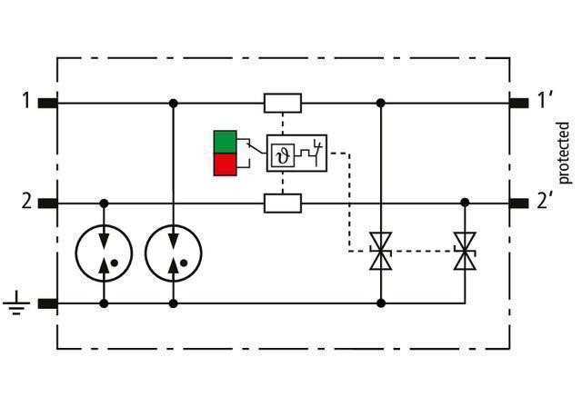
Priestorovo úsporný, modulárny kombinovaný zvodič so šírkou 6 mm a pripojovacou technológiou push-in, s ukazovateľom stavu, na ochranu 2 samostatných vodičov so spoločným vzťažným potenciálom alebo nesymetrické rozhrania. S rozpojením signálových ciest na
| Kód: | 927225 |
|---|---|
| C2 Celkový menovitý vybíjací prúd (8/20 µs): | 10 |
| C2 Nominálny vybíjací prúd (8/20 µs) na vedenie: | 5 |
| D1 Bleskový impulzný prúd (10/350 µs) na vedenie: | 1.5 |
| D1 Celkový bleskový impulzný prúd (10/350 µs): | 3 |
| Farba: | yellow |
| Indikácia prevádzkového stavu / poruchy: | green / red |
| Kategória impulzov: | D1, C1, C2, C3, B2 |
| Linka medznej frekvencie: | 5 |
| Materiál krytu: | polyamide PA 6.6 |
| Max. trvalé prevádzkové napätie (AC): | 38.1 |
| Max. trvalé prevádzkové napätie (dc): | 54 |
| Menovité napätie: | 48 |
| Napäťová ochranná úroveň vedenia pri 1 kV/µs C3: | ≤ 130 |
| Nominálny prúd pri 70 °C: | 0.75 |
| Plocha prierezu (flexibilná): | 0.2-2.5 mm2 |
| Plocha prierezu (plná): | 0.2-2.5 mm2 |
| Pripojenie (vstup/výstup): | push-in / push-in |
| Rozsah prevádzkových teplôt: | -40 °C ... +80 °C |
| Rozšírené technické údaje:: | - - - - - - - - - - - - - - - - - - - - |
| Schválenia: | UL, SIL |
| Schválenia ATEX: | TUR XX ATEX XXXX.X: II 3G Ex ec IIC T4 Gc |
| Schválenia IECEx: | IECEx TUR XX.XXXXX: Ex ec IIC T4 Gc |
| Sériový odpor na linku: | 1 |
| Skúšobné normy: | IEC 61643-21 / EN 61643-21 |
| Stupeň ochrany: | IP 20 |
| triedy SPD: | M |
| Úroveň ochrany napätia line-PG pre In C1: | ≤ 90 |
| Úroveň ochrany napätia line-PG pre In C2: | ≤ 90 |
| Úroveň ochrany napätia line-PG pri 1 kV/µs C3: | ≤ 68 |
| Uzemnenie cez: | 35 mm DIN rails acc. to EN 60715 |
| Vedenie úrovne ochrany napätia pre In C1: | ≤ 140 |
| Vedenie úrovne ochrany napätia pre In C2: | ≤ 140 |
| – Max. vybíjací prúd (8/20 µs) [1/2 - PG], [1+2 - PG]: | 20 |
| – Úroveň ochrany napätia line-PG pri 1 kV/μs C3 po vystavení Imax: | ≤ 68 |
| – Výbojový prúd (8/20 µs) [1/2 - PG], [1+2 - PG]: | 10 kA (10x) |