Načítavam, čakajte prosím ...
Ochrana pred bleskom a s ním súvisiacim nebezpečenstvom požiaru

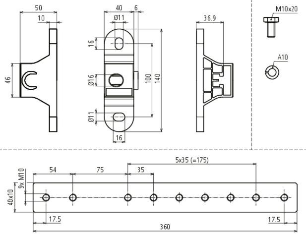
PA-(ekvipotenciální) přípojnice pro Ex zóny 1/21 a 2/22

Jiskrově bezpečná přípojnice pro vyrovnání potenciálů v prostředí Ex pro napojení kovových vodičů a kabelů na vyrovnání potenciálu v ochraně před bleskem podle ČSN EN 62305-3 (IEC 62305-3, VDE 0185-305-3) jakož i ochranného a funkčního vyrovnání potenciál

85,89 € s DPH / ks
ks
Na objednávku
Kód: 472411
Hmotnosť: 1,65 kg

Dokumenty na stiahnutie