Načítavam, čakajte prosím ...
Ochrana pred bleskom a s ním súvisiacim nebezpečenstvom požiaru

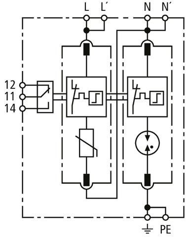
Svodič přepětí Typ 2+3 DEHNguard MP FM 1fázový Uc 275V TT+TN-S systémy

Vícepólový svodič přepětí DEHNguard MP, typ 2 + typ 3 podle EN 61643-11, skládající se ze základního dílu se zásuvnými ochrannými moduly a dvojité push-in připojovací svorky pro rozvětvené a průchozí zapojení. Vysoký stupeň bezpečnosti je zajištěn monitor

153,53 € s DPH / ks
ks
Na objednávku
Kód: 942115
Hmotnosť: 0,23 kg

Dokumenty na stiahnutie