Načítavam, čakajte prosím ...
Ochrana pred bleskom a s ním súvisiacim nebezpečenstvom požiaru

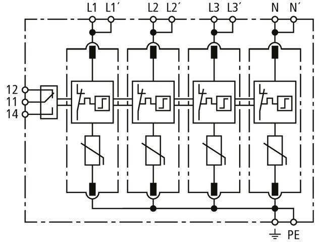
Svodič přepětí typ 2 DEHNguard MP

Vícepólový svodič přepětí DEHNguard MP, typ 2 + typ 3 podle EN 61643-11, skládající se ze základního dílu se zásuvnými ochrannými moduly a dvojité push-in připojovací svorky pro rozvětvené a průchozí zapojení. Vysoký stupeň bezpečnosti je zajištěn monitor

291,50 € s DPH / ks
ks
Na objednávku
Kód: 942405
Hmotnosť: 0,35 kg

Dokumenty na stiahnutie