Načítavam, čakajte prosím ...
Ochrana pred bleskom a s ním súvisiacim nebezpečenstvom požiaru

Svodič přepětí Typ 2+3 DEHNguard MP FM 3-pólový Uc 275V TNC

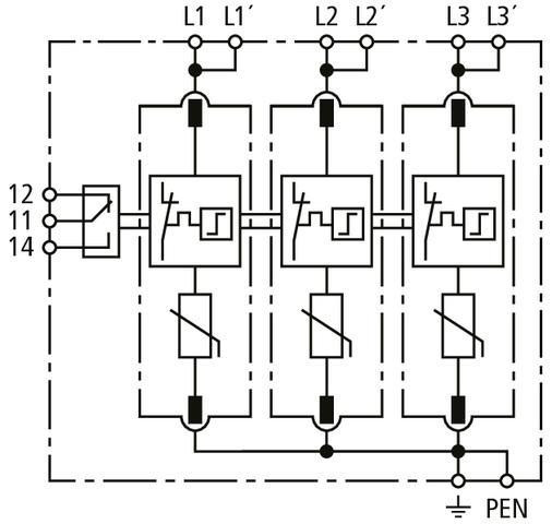
Vícepólový svodič přepětí DEHNguard MP, typ 2 + typ 3 podle EN 61643-11skládající se ze základního dílu se zásuvnými ochrannými moduly a dvojité push-in připojovací svorky pro rozvětvené a průchozí zapojení. Vysoký stupeň bezpečnosti je zajištěn monitorov

220,62 € s DPH / ks
ks
Na objednávku
Kód: 942305
Hmotnosť: 0,32 kg

Dokumenty na stiahnutie