Načítavam, čakajte prosím ...
Ochrana pred bleskom a s ním súvisiacim nebezpečenstvom požiaru

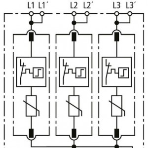
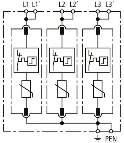
Svodič přepětí Typ 2+3 DEHNguard MP 3-pólový Uc 275V TNC

Vícepólový svodič přepětí DEHNguard MP, typ 2 + typ 3 podle EN 61643-11skládající se ze základního dílu se zásuvnými ochrannými moduly a dvojité push-in připojovací svorky pro rozvětvené a průchozí zapojení. Vysoký stupeň bezpečnosti je zajištěn monitorov

186,66 € s DPH / ks
ks
Na objednávku
Kód: 942300
Hmotnosť: 0,32 kg

Dokumenty na stiahnutie