Načítavam, čakajte prosím ...
Ochrana pred bleskom a s ním súvisiacim nebezpečenstvom požiaru

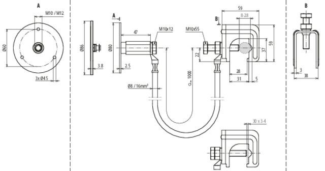
Připojovací set 16mm² délky 1000mm s svorkou na armování a zemnícím bodem

Připojovací sada podle DIN EN 62561-1 pro použití železné výztuže (podélných tyčí) železobetonových podpěr nebo stěn jako svodu. Použitím železné výztuže v železobetonových podpěrách lze dodatečnou instalaci kulatých vodičů (FeZn) pro ochranu před bleskem

37,40 € s DPH / ks
ks
Na objednávku
Kód: 416950
Hmotnosť: 0,65 kg

Dokumenty na stiahnutie