Načítavam, čakajte prosím ...
Ochrana pred bleskom a s ním súvisiacim nebezpečenstvom požiaru

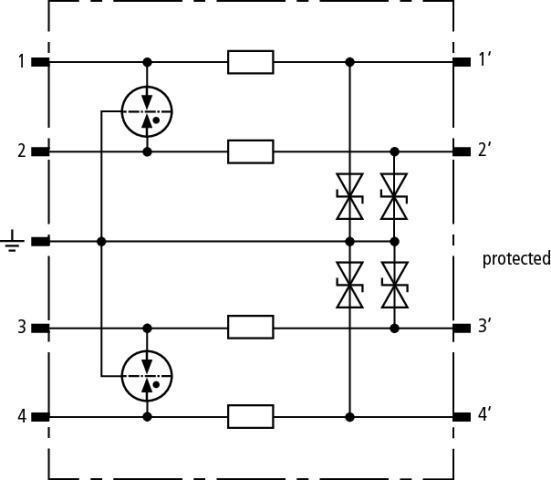
Zvodič prepätia - modul BLITZDUCTOR SP

pre štyri samostatné vodiče

Cena na vyžiadanie
Na objednávku
Kód: 926325
C2 Celkový menovitý vybíjací prúd (8/20 µs): 20
C2 Nominálny vybíjací prúd (8/20 µs) na vedenie: 10
D1 Bleskový impulzný prúd (10/350 µs) na vedenie: 1
Farba: yellow
Hraničná frekvenčná čiara-PG: 8.7
Kapacitná linka: ≤ 0.35 nF
Kapacitná linka-PG: ≤ 0.7 nF
Klasifikácia SIL: up to SIL3 *)
Materiál krytu: polyamide PA 6.6
Max. trvalé prevádzkové napätie (AC): 38.1
Max. trvalé prevádzkové napätie (dc): 54
Menovité napätie: 48
Napäťová ochranná úroveň vedenia pri 1 kV/µs C3: ≤ 140
Nominálny prúd pri 45 °C: 0.75
Pripojiteľné do: BXT BAS / BSP BAS 4 base part
Rozsah prevádzkových teplôt: -40 °C ... +80 °C
Schválenia: UL, CSA, SIL, EAC
Sériová impedancia na linku: 1.8
Skúšobné normy: IEC 61643-21, UL 497B
Stupeň ochrany (so zapojeným ochranným modulom): IP 20
triedy SPD: Q
Úroveň ochrany napätia line-PG pre In C2: ≤ 115
Úroveň ochrany napätia line-PG pri 1 kV/µs C3: ≤ 70
Uzemnenie cez: BXT BAS / BSP BAS 4 base part
Vedenie úrovne ochrany napätia pre In C2: ≤ 170
Hmotnosť: 0,03 kg

Dokumenty na stiahnutie