Načítavam, čakajte prosím ...
Ochrana pred bleskom a s ním súvisiacim nebezpečenstvom požiaru

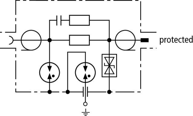
Zvodič prepätia s konektormi BNC

zásuvka a zástrčka (F/M)

136,59 € s DPH
Na objednávku
Kód: 929010
C2 Nominálny vybíjací prúd (8/20 µs) štít-PG: 10
C2 Nominálny vybíjací prúd (8/20 µs) tienenie vedenia: 2.5
Charakteristická impedancia: 50 ohms / 75
Kapacitný linkový štít: ≤ 50
Max. trvalé prevádzkové napätie (dc): 8
Menovité napätie: 5
Napäťové ochranné tienenie pre In C2: ≤ 25
Napäťové ochranné tienenie vedenia pri 1 kV/µs C3: ≤ 15
Nominálny prúd: 0.1
Pripojenie (vstup/výstup): BNC socket / BNC plug
Rozsah prevádzkových teplôt: -40 °C ... +80 °C
Schválenia: CSA, UL, EAC
Sériový odpor na linku: 10
Skúšobné normy: IEC 61643-21 / EN 61643-21
Spätná strata pri 40 MHz (50 ohmov): ≥ 20
Spätná strata pri 40 MHz (75 ohmov): ≥ 20
Strata vloženia pri 265 MHz (75 ohmov): ≤ 3
Strata vloženia pri 300 MHz (50 ohmov): ≤ 3
triedy SPD: T
Úroveň ochrany napätia štít-PG pri 1 kV/µs C3: ≤ 600
Uzemnenie cez: outgoing earth conductor (0.75 mm2)
Uzemnenie štítu: indirectly via an integrated spark gap

Dokumenty na stiahnutie