Načítavam, čakajte prosím ...
Ochrana pred bleskom a s ním súvisiacim nebezpečenstvom požiaru

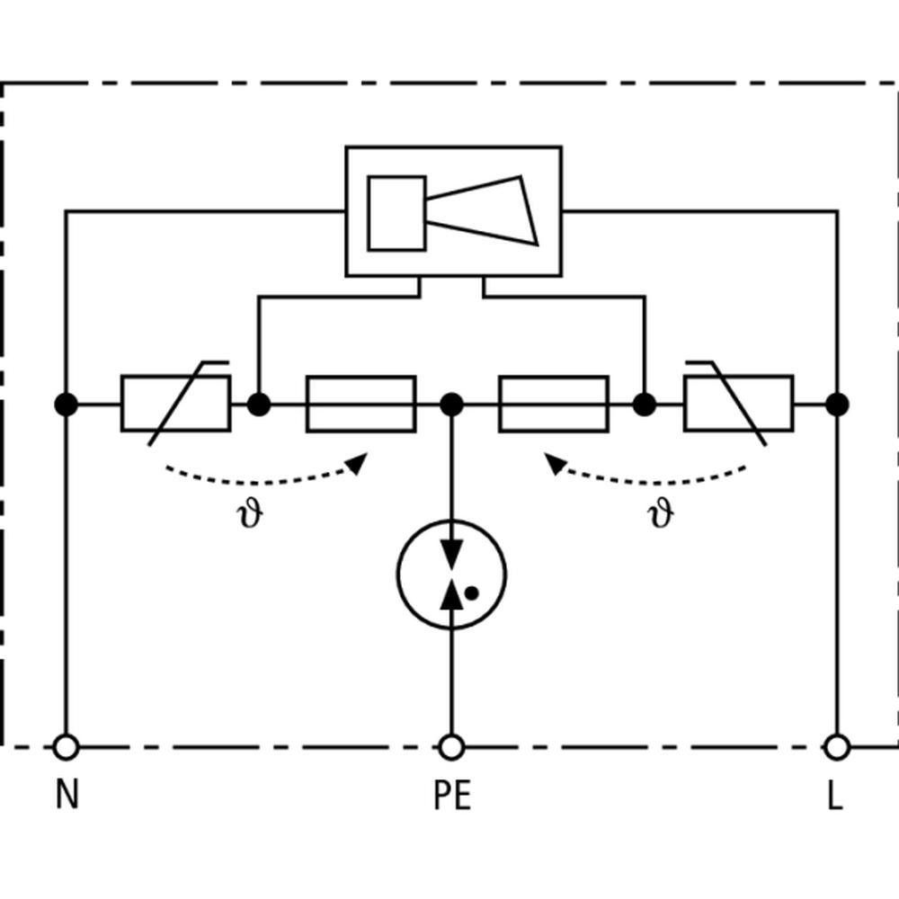
Zvodič prepätia pre zásuvky Schuko

Dvojpólový zvodič prepätia pre jednofázové systémy napájania TT a TN, na prichytenie k zásuvkám s ochranným kontaktom.

91,27 € s DPH
Na objednávku
Kód: 924350
Čas odozvy [L/N-PE]: ≤ 100
čas odozvy [LN]: ≤ 25
Celkový vybíjací prúd (8/20 µs) [L+N-PE]: 5
Dočasné prepätie (TOV) [L+N-PE] (UT) – Charakteristika: 1200 V + UREF / 200 ms – safe failure
Dočasné prepätie (TOV) [L/N-PE] (UT) – Charakteristika: 440 V / 5 sec. – withstand
Dočasné prepätie (TOV) [LN] (UT) – Charakteristika: 440 V / 120 min. – safe failure
Indikácia poruchy: acoustic signal on
Kombinovaná vlna: 6
Kombinovaná vlna [L+N-PE]: 10
Koncové vodiče: 1 mm2, 120 mm long
Materiál krytu: thermoplastic, red, UL 94 V-2
Max. nadprúdová ochrana na strane siete: B 16 A
Max. trvalé prevádzkové napätie (AC): 255 V (50 / 60 Hz)
Menovité napätie (AC): 230 V (50 / 60 Hz)
Miesto inštalácie: indoor installation
Nominálny vybíjací prúd (8/20 µs): 3
Počet portov: 1
Pre montáž na: standard earthed socket outlets
Rozmery: 54 x 54 x 32
Rozsah prevádzkových teplôt: -25 °C ... +40 °C
Skratová odolnosť max. nadprúdová ochrana na strane siete: 1 kArms
SPD podľa EN 61643-11 / IEC 61643-11: type 3 / class III
Stupeň ochrany inštalovaného zariadenia: IP 20
Úroveň ochrany napätia [LN] / [L/N-PE]: ≤ 1250 / ≤ 1500

Dokumenty na stiahnutie