pre elektroakustické zariadenia
| Kód: | 928430 |
|---|---|
| C2 Celkový menovitý vybíjací prúd (8/20 µs): | 22.5 |
| C2 Nominálny vybíjací prúd (8/20 µs) na vedenie: | 7.5 |
| D1 Bleskový impulzný prúd (10/350 µs) na vedenie: | 2.5 |
| D1 Celkový bleskový impulzný prúd (10/350 µs): | 9 |
| Farba: | yellow |
| Kapacita: | 2 |
| Linka medznej frekvencie: | 1.4 |
| Materiál krytu: | thermoplastic, UL 94 V-0 |
| Max. trvalé prevádzkové napätie (AC): | 110 |
| Max. trvalé prevádzkové napätie (dc): | 150 |
| Menovité napätie (AC): | 100 |
| Napäťová ochranná linka na Iimp D1: | ≤ 500 |
| Napäťová ochranná úroveň vedenia pri 1 kV/µs C3: | ≤ 400 |
| Nominálny prúd pri 70 °C: | 10 |
| Nominálny prúd pri 80 °C: | 7 |
| Plocha prierezu pre terminály diaľkovej signalizácie: | max. 1.5 mm2 |
| Plocha prierezu, plná: | 0.2-1.5 mm2 |
| Pre montáž na: | 35 mm DIN rails acc. to EN 60715 |
| Prierezová plocha, flexibilná: | 0.2-1.5 mm2 |
| Pripojenie (vstup/výstup): | spring / spring |
| Rozsah prevádzkových teplôt: | -40 °C ... +80 °C |
| Schválenia: | EAC |
| Skúšobné normy: | IEC 61643-21 / EN 61643-21 |
| Spínacia kapacita (ac): | 250 V / 0.5 A |
| Spínacia kapacita (dc): | 250 V / 0.1 A; 125 V / 0.2 A; 75 V / 0.5 A |
| Stupeň ochrany: | IP 20 |
| triedy SPD: | L |
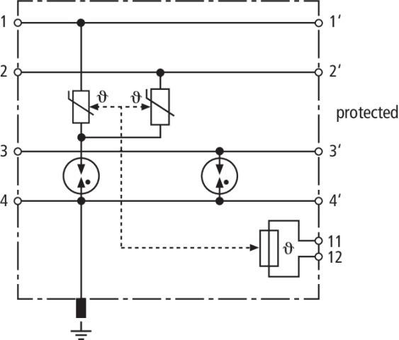
| Typ kontaktu diaľkovej signalizácie: | break contact |
| Úroveň ochrany napätia line-PG pri 1 kV/µs C3: | ≤ 650 |
| Úroveň ochrany napätia line-PG pri Iimp D1: | ≤ 700 |
| Uzemnenie cez: | DIN rail |