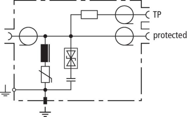
DGA TV sú zvodiče s konektormi F, vhodné pre diaľkové napájanie a chránia 75 ohmové satelitné a širokopásmové káblové systémy, pričom spĺňajú vysoké požiadavky na tienenie podľa triedy A normy EN 50083-2. Umožňujú priestorovo úsporné inštalácie vo vše
| Kód: | 909703 |
|---|---|
| C2 Nominálny vybíjací prúd (8/20 µs): | 1.5 |
| Charakteristická impedancia: | 75 ohms |
| D1 Bleskový impulzný prúd (10/350 µs): | 0.2 |
| Farba: | bare surface |
| Frekvenčný rozsah: | d.c. / 5-3000 MHz |
| Materiál krytu: | metal |
| Max. trvalé prevádzkové napätie (dc): | 24 |
| Návratová strata: | ≥ 14 dB |
| Nominálny prúd: | 2 |
| Pre montáž na: | 35 mm DIN rails acc. to EN 60715 or wall mounting |
| Pripojenie (vstup/výstup): | F socket / F socket |
| Príslušenstvo: | 2x F plugs |
| Rozsah prevádzkových teplôt: | -40 °C ... +80 °C |
| Schválenia: | EAC |
| Skúšobné normy: | IEC 61643-21 / EN 61643-21 |
| Strata návratu (47-2400 MHz): | ≥ 18 dB (-1.5 dB/octave) |
| Stupeň ochrany (ak sú pripojené vedenia): | IP 30 |
| Test straty spojenia zásuvky: | 20 dB |
| Testovacia zásuvka spätnej straty (5-47 MHz): | ≥ 18 |
| triedy SPD: | { |
| Úroveň ochrany napätia pre Iimp D1: | ≤ 230 |
| Úroveň ochrany napätia pre In C2: | ≤ 300 |
| Úroveň ochrany napätia pri 1 kV/µs C3: | ≤ 60 |
| Útlm štítu 1000-2400 MHz: | ≥ 55 |
| Útlm štítu 300-470 MHz: | ≥ 80 |
| Útlm štítu 470-1000 MHz: | ≥ 75 |
| Útlm štítu 5-300 MHz: | ≥ 85 |
| Uzemnenie cez: | DIN rail or screw connection |
| Vkladný útlm 2400-3000 MHz typ.: | 2 dB |
| Vkladný útlm 5-862 MHz typ.: | 1.2 dB |
| Vkladný útlm 862-2400 MHz typ.: | 1.4 |