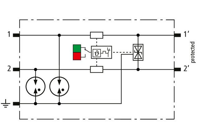
Priestorovo úsporný kompaktný kombinovaný zvodič so šírkou 6 mm a pripojovacou technológiou push-in, s ukazovateľom stavu, na ochranu 2 samostatných vodičov vysokofrekvenčných prenosov so spoločným vzťažným potenciálom a na nesymetrické rozhrania.
| Kód: | 927970 |
|---|---|
| C2 Celkový menovitý vybíjací prúd (8/20 µs): | 10 |
| C2 Nominálny vybíjací prúd (8/20 µs) na vedenie: | 5 |
| D1 Bleskový impulzný prúd (10/350 µs) na vedenie: | 1.5 |
| D1 Celkový bleskový impulzný prúd (10/350 µs): | 3 |
| Farba: | yellow |
| Hraničná frekvenčná čiara-PG: | 100 |
| Indikácia prevádzkového stavu / poruchy: | green / red |
| Kategória impulzov: | D1, C1, C2, C3, B2 |
| Materiál krytu: | polyamide PA 6.6 |
| Max. trvalé prevádzkové napätie (AC): | 6.0 |
| Max. trvalé prevádzkové napätie (dc): | 8.5 |
| Menovité napätie: | 5 |
| Nominálny prúd pri 70 °C: | 0.75 |
| Plocha prierezu, plná: | 0.2-2.5 mm2 |
| Pre montáž na: | 35 mm DIN rails acc. to EN 60715 |
| Prierezová plocha, flexibilná: | 0.2-2.5 mm2 |
| Pripojenie (vstup/výstup): | push-in / push-in |
| Rozsah prevádzkových teplôt: | -40 °C ... +80 °C |
| Rozšírené technické údaje:: | - - - - - - - - - - - - - - - - - - - - |
| Schválenia: | UL, SIL |
| Schválenia ATEX: | TUR XX ATEX XXXX.X: II 3G Ex ec IIC T4 Gc |
| Schválenia IECEx: | IECEx TUR XX.XXXXX: Ex ec IIC T4 Gc |
| Sériový odpor na linku: | 1 |
| Skúšobné normy: | IEC 61643-21 / EN 61643-21 |
| Stupeň ochrany: | IP 20 |
| triedy SPD: | M |
| Úroveň ochrany napätia line-PG pre 1 kV/µs: | ≤ 15 |
| Úroveň ochrany napätia line-PG pre In C1: | ≤ 70 |
| Úroveň ochrany napätia line-PG pre In C2: | ≤ 70 |
| Uzemnenie cez: | 35 mm DIN rails acc. to EN 60715 |
| Vedenie napäťovej ochrany pre 1 kV/µs C3: | ≤ 15 |
| Vedenie napäťovej ochrany pre In C2: | ≤ 50 |
| Vedenie úrovne ochrany napätia pre In C1: | ≤ 50 |
| – Max. vybíjací prúd (8/20 µs) [1/2 - PG], [1+2 - PG]: | 20 |
| – Úroveň ochrany napätia line-PG pri 1 kV/μs C3 po vystavení Imax: | ≤ 15 |
| – Výbojový prúd (8/20 µs) [1/2 - PG], [1+2 - PG]: | 10 kA (10x) |