| Kód: | 929950 |
|---|---|
| C2 Celkový menovitý vybíjací prúd (8/20 µs): | 20 |
| C2 Nominálny vybíjací prúd (8/20 µs) line-PG: | 10 |
| D1 Bleskový impulzný prúd (10/350 µs) line-PG: | 1.5 |
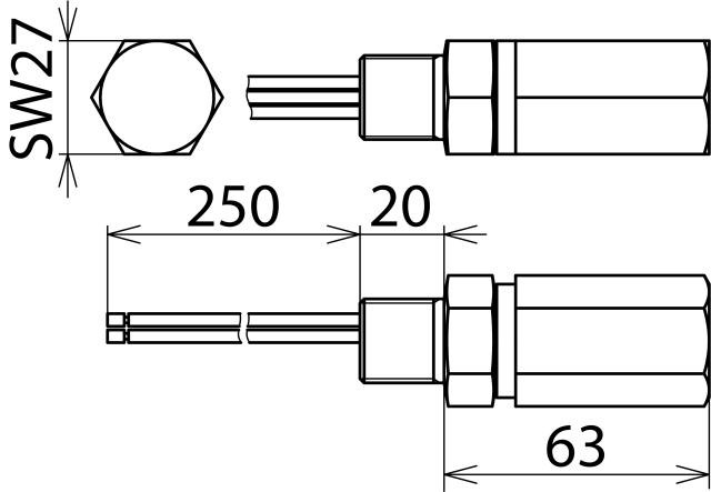
| Dĺžka pripojovacieho kábla: | 250 |
| Farba: | bare surface |
| Kapacitná linka: | ≤ 2000 |
| Kapacitná linka-PG: | ≤ 15 |
| Klasifikácia SIL: | up to SIL3 *) |
| Materiál krytu: | StSt (V4A) |
| Max. trvalé prevádzkové napätie (AC): | 25.4 |
| Max. trvalé prevádzkové napätie (dc): | 36 |
| Menovité napätie: | 24 |
| Napäťová ochranná úroveň vedenia pri 1 kV/µs C3: | ≤ 50 |
| Nominálny prúd: | 0.55 |
| Pre montáž na (strana poľa / zariadenia): | M20 x 1.5 male thread |
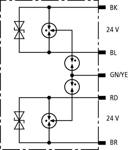
| Pripojenie: | connecting lines (1.3 mm2) |
| Rozsah prevádzkových teplôt: | -40 °C ... +80 °C |
| Schválenia: | EACEx, ATEX, IECEx, CSA & USA Hazloc, SIL |
| Schválenia ATEX (1): | DEKRA 11ATEX0207 X: II 2 (1) G Ex ia [ia Ga] IIC T5 / T6 Gb |
| Schválenia ATEX (2): | DEKRA 11ATEX0217 X: II 2 G Ex d IIC T5 / T6 Gb |
| Schválenia CSA a USA Hazloc (1): | CSA 13.70000407: Ex ia [ia] IIC T5 … T6 |
| Schválenia CSA a USA Hazloc (2): | CSA 13.70000407: Class I Div 1, 2; Class I Zone 1 |
| Schválenia IECEx (1): | DEK 11.0076X: Ex ia [ia Ga] IIC T5 / T6 Gb |
| Schválenia IECEx (2): | DEK 11.0079X: Ex d IIC T5 / T6 Gb |
| Skúšobné normy: | IEC 61643-21 / EN 61643-21 |
| Stupeň ochrany: | IP 67 |
| triedy SPD: | T |
| Úroveň ochrany napätia line-PG pre In C2: | ≤ 2000 |
| Úroveň ochrany napätia line-PG pri 1 kV/µs C3: | ≤ 1200 |
| Uzemnenie cez: | connecting line |
| Vedenie úrovne ochrany napätia pre In C2: | ≤ 65 |