| Kód: | 929960 |
|---|---|
| C2 Celkový menovitý vybíjací prúd (8/20 µs): | 10 |
| C2 Nominálny vybíjací prúd (8/20 µs) na vedenie: | 5 |
| D1 Bleskový impulzný prúd (10/350 µs) na vedenie: | 1 |
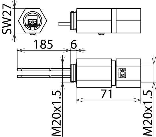
| Dĺžka pripojovacieho kábla: | 200 |
| Farba: | bare surface |
| Kapacitná linka: | ≤ 850 |
| Kapacitná linka-PG: | ≤ 15 |
| Klasifikácia SIL: | up to SIL3 *) |
| Linka medznej frekvencie: | 7 |
| Materiál krytu: | StSt (V2A) |
| Max. trvalé prevádzkové napätie (AC): | 24.5 |
| Max. trvalé prevádzkové napätie (dc): | 34.8 |
| Max. vstupné napätie podľa podľa EN 60079-11: | 30 |
| Max. vstupný prúd podľa podľa EN 60079-11: | 0.5 |
| Menovité napätie: | 24 |
| Napäťová ochranná úroveň vedenia pri 1 kV/µs C3: | ≤ 49 |
| Nominálny prúd: | 0.5 |
| Plocha prierezu, plná: | 0.08-2.5 mm2 |
| Pre montáž na (strana poľa / zariadenia): | M20 x 1.5 female thread / M20 x 1.5 male thread |
| Prierezová plocha, flexibilná: | 0.08-1.5 mm2 |
| Pripojenie (vstup/výstup): | screw / connecting lines (1.5 mm2) |
| Rozsah prevádzkových teplôt: | -40 °C ... +80 °C |
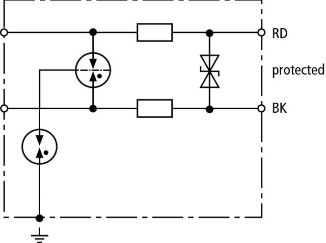
| Schválenia: | EACEx, ATEX, IECEx, SIL |
| Schválenia ATEX: | DEKRA 11ATEX0076 X: II 2 (1) G Ex ia [ia Ga] IIC T4 ... T6 Gb |
| Schválenia CSA a USA Hazloc (1): | CSA17CA.70144338: Ex ia [ia Ga] IIC T4 … T6 Gb |
| Schválenia CSA a USA Hazloc (2): | CSA17CA.70144338: Class I Div 1; Class I Zone 1 |
| Schválenia IECEx: | DEK 11.0025X: Ex ia [ia Ga] IIC T4 ... T6 Gb |
| Sériový odpor na linku: | 1.8 |
| Skúšobné normy: | IEC 61643-21 / EN 61643-21 |
| Stupeň ochrany: | IP 67 |
| triedy SPD: | T |
| Úroveň ochrany napätia line-PG pre In C2: | ≤ 1100 |
| Úroveň ochrany napätia line-PG pri 1 kV/µs C3: | ≤ 1000 |
| Uzemnenie cez: | enclosure |
| Vedenie úrovne ochrany napätia pre In C2: | ≤ 55 |
| Hmotnosť: | 0,19 kg |