Načítavam, čakajte prosím ...
Ochrana pred bleskom a s ním súvisiacim nebezpečenstvom požiaru

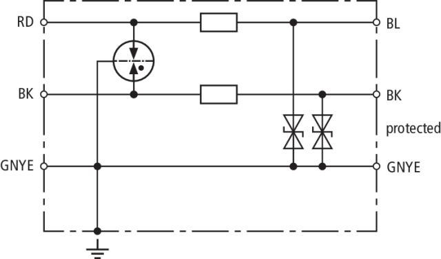
Zvodič prepätia DEHNpipe

Energeticky skoordinovaný dvojstupňový zvodič prepätia s bleskoistkami a diódami proti zemi. Chráni dvojdrôtové nesymetrické rozhrania. Koncovka má závit NPT ½ -14 (vonkajší/vonkajší). Priechodné uzemňovacie vedenie.

165,45 € s DPH / ks
ks
Na objednávku
Kód: 929921
C2 Celkový menovitý vybíjací prúd (8/20 µs): 10
C2 Nominálny vybíjací prúd (8/20 µs) na vedenie: 10
D1 Bleskový impulzný prúd (10/350 µs) na vedenie: 1
Dĺžka pripojovacieho kábla: 500
Farba: bare surface
Kapacitná linka: ≤ 250
Kapacitná linka-PG: ≤ 450
Klasifikácia SIL: up to SIL3 *)
Materiál krytu: StSt (V2A)
Max. trvalé prevádzkové napätie (AC): 24.5
Max. trvalé prevádzkové napätie (dc): 34.8
Menovité napätie: 24
Napäťová ochranná úroveň vedenia pri 1 kV/µs C3: ≤ 98
Nominálny prúd: 0.5
Pre montáž na (strana poľa / zariadenia): 1/2-14 NPT male thread / 1/2-14 NPT male thread
Pripojenie (vstup/výstup): connecting lines AWG 16
Rozsah prevádzkových teplôt: -40 °C ... +80 °C
Schválenia: UL, EAC, SIL
Sériový odpor na linku: 4.7
Skúšobné normy: IEC 61643-21 / EN 61643-21
Stupeň ochrany: IP 67
triedy SPD: Q
Úroveň ochrany napätia line-PG pre In C2: ≤ 65
Úroveň ochrany napätia line-PG pri 1 kV/µs C3: ≤ 49
Uzemnenie cez: enclosure and connecting line
Vedenie úrovne ochrany napätia pre In C2: ≤ 120
Hmotnosť: 0,26 kg

Dokumenty na stiahnutie