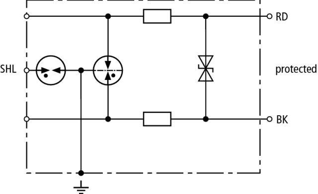
Energeticky skoordinovaný dvojstupňový zvodič prepätia s bleskoistkami a diódami proti zemi. Chráni dvojdrôtové nesymetrické rozhrania. Koncovka má závit NPT ½ -14 (vonkajší/vonkajší). Priechodné uzemňovacie vedenie.
| Kód: | 929941 |
|---|---|
| C2 Celkový menovitý vybíjací prúd (8/20 µs): | 10 |
| C2 Nominálny vybíjací prúd (8/20 µs) na vedenie: | 10 |
| C2 Nominálny vybíjací prúd (8/20 µs) štít-PG: | 20 |
| D1 Bleskový impulzný prúd (10/350 µs) na vedenie: | 1 |
| Dĺžka pripojovacieho kábla: | 200 |
| Farba: | bare surface |
| Kapacitná linka: | ≤ 400 |
| Kapacitná linka-PG: | ≤ 20 |
| Kapacitný štít-PG: | ≤ 15 |
| Klasifikácia SIL: | up to SIL3 *) |
| Linka medznej frekvencie: | 14 |
| Materiál krytu: | StSt (V2A) |
| Max. trvalé prevádzkové napätie (AC): | 24.5 |
| Max. trvalé prevádzkové napätie (dc): | 34.8 |
| Menovité napätie: | 24 |
| Napäťová ochranná úroveň vedenia pri 1 kV/µs C3: | ≤ 50 |
| Nominálny prúd: | 0.5 |
| Plocha prierezu, plná: | 0.08-2.5 mm2 |
| Pre montáž na (strana poľa / zariadenia): | M20 x 1.5 female thread / M20 x 1.5 male thread |
| Prierezová plocha, flexibilná: | 0.08-1.5 mm2 |
| Pripojenie (vstup/výstup): | screw / connecting lines (1.5 mm2) |
| Rozsah prevádzkových teplôt: | -40 °C ... +80 °C |
| Schválenia: | EAC, SIL |
| Sériový odpor na linku: | 2.2 |
| Skúšobné normy: | IEC 61643-21 / EN 61643-21 |
| Stupeň ochrany káblovou vývodkou: | IP 67 |
| triedy SPD: | Q |
| Úroveň ochrany napätia line-PG pre In C2: | ≤ 650 |
| Úroveň ochrany napätia line-PG pri 1 kV/µs C3: | ≤ 500 |
| Úroveň ochrany napätia štít-PG pre In C2: | ≤ 650 |
| Úroveň ochrany napätia štít-PG pri 1 kV/µs C3: | ≤ 600 |
| Uzemnenie cez: | enclosure or earthing ring (accessories) |
| Vedenie úrovne ochrany napätia pre In C2: | ≤ 65 |
| Hmotnosť: | 0,19 kg |