Načítavam, čakajte prosím ...
Ochrana pred bleskom a s ním súvisiacim nebezpečenstvom požiaru

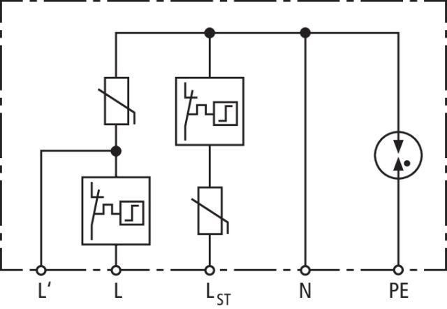
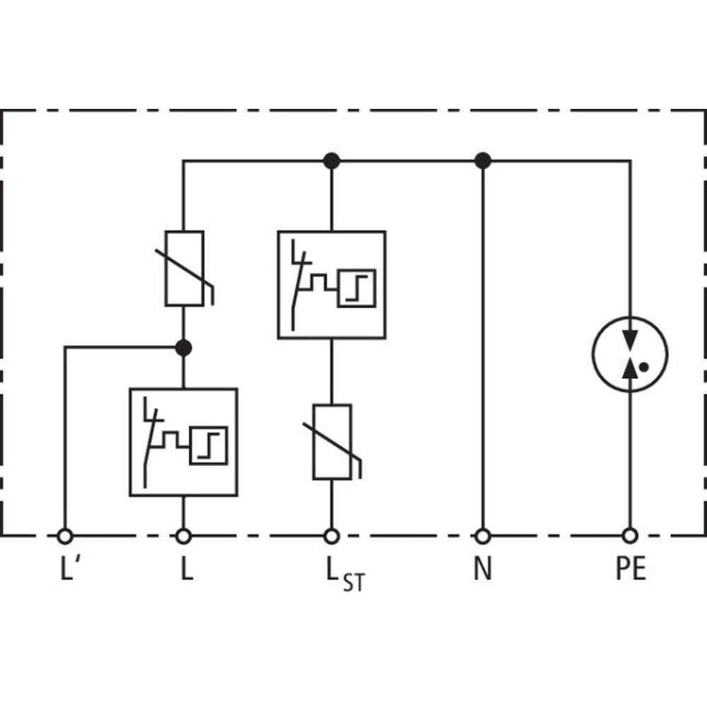
Poistková skrinka EK480, Langmatz, s DEHNcord, priehľadný kryt

Poistková skrinka EK480 je kvalitný produkt firmy Langmatz, ktorý sa vyznačuje vysokou kvalitou spracovania a praxou preverenými vlastnosťami. Produktový rad EK480 spĺňa všetky mechanické a elektrické požiadavky a normy. Svietidlá s vysoko kvalitnou elekt

115,10 € s DPH
Na objednávku
Kód: 900443

Dokumenty na stiahnutie