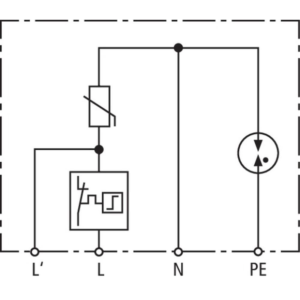
2-pólový pre elektroinštalačné systémy
| Kód: | 900446 |
|---|---|
| - Kombinovaná vlna: | 10 |
| Čas odozvy [L/N-PE]: | ≤ 100 |
| čas odozvy [LN]: | ≤ 25 |
| Dočasné prepätie (TOV) [LN] (UT) – Charakteristika: | 440 V / 120 min. – safe failure |
| Dočasné prepätie (TOV) [N-PE] (UT) – Charakteristika: | 1200 V / 200 ms – safe failure |
| Dodatočné testy:: | ------------------------------------ |
| Energetická koordinácia s koncovým zariadením (≤ 10 m): | type 2 + type 3 |
| Indikácia poruchy: | red |
| Materiál krytu: | thermoplastic, red, UL 94 V-2 |
| Max. nadprúdová ochrana na strane siete: | B 16 |
| Max. trvalé prevádzkové napätie (AC) [LN]: | 275 V (50 / 60 Hz) |
| Max. trvalé prevádzkové napätie (AC) [N-PE]: | 255 V (50 / 60 Hz) |
| Max. vybíjací prúd (8/20 µs): | 10 |
| Max. zaťažovací prúd: | 10 |
| Menovité napätie (AC): | 230 V (50 / 60 Hz) |
| Miesto inštalácie: | indoor installation, fuse boxes for mast installation |
| Nominálny vybíjací prúd (8/20 µs): | 5 |
| Odolnosť proti skratu pre nadprúdovú ochranu na strane siete: | 1 kArms |
| Počet portov: | 1 |
| Postupujte podľa aktuálnej hasiacej schopnosti [N-PE]: | 100 |
| Prerušenie záťažového okruhu v prípade poruchy: | yes |
| Rozsah prevádzkových teplôt: | -40 °C ... +80 °C |
| Rozšírené technické údaje:: | ------------------------------------ |
| Schválenia: | KEMA |
| Skratová odolnosť pre nadprúdovú ochranu na strane siete s 16 A gG: | 6 kArms |
| SPD podľa EN 61643-11 / IEC 61643-11: | type 2 / class II |
| Spojovacie vodiče: | 1.5 mm2, 60 mm long |
| Stupeň ochrany inštalovaného zariadenia: | IP 20 |
| Úroveň ochrany napätia [LN]: | ≤ 1.5 |
| Úroveň ochrany napätia [LN] pri 1,5 kA: | ≤ 0.85 |
| Úroveň ochrany napätia [LN] pri 3 kA: | ≤ 1 |
| Úroveň ochrany napätia [N-PE]: | ≤ 1.5 |
| – Celkový vybíjací prúd: | 20 |