Načítavam, čakajte prosím ...
Ochrana pred bleskom a s ním súvisiacim nebezpečenstvom požiaru

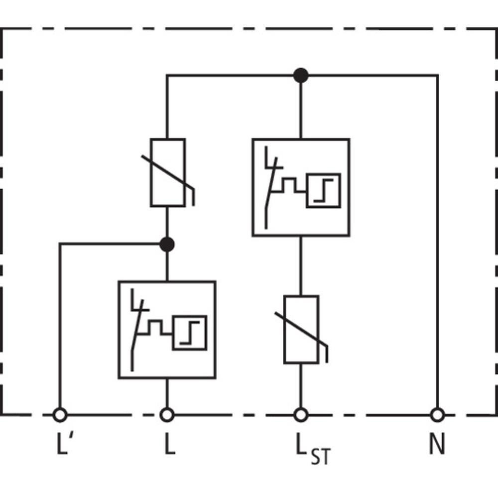
DEHNcord L 2P SN1864

Zvodič prepätia pre svietidlá triedy ochrany II; kompaktné rozmery. S funkciou vypnutia v prípade poruchy.

59,58 € s DPH
Na objednávku
Kód: 999906
čas odozvy [LN]: ≤ 25
Dočasné prepätie (TOV) [LN] (UT) – Charakteristika: 440 V / 120 min. – safe failure
Dodatočné testy:: ------------------------------------
Energetická koordinácia s koncovým zariadením (≤ 10 m): type 2 + type 3
Indikácia poruchy: red
Materiál krytu: thermoplastic, red, UL 94 V-2
Max. nadprúdová ochrana na strane siete: B 16
Max. trvalé prevádzkové napätie (AC) [LN]: 275 V (50 / 60 Hz)
Max. vybíjací prúd (8/20 µs): 10
Max. zaťažovací prúd: 10
Menovité napätie (AC): 230 V (50 / 60 Hz)
Miesto inštalácie: indoor installation, LED head / fuse box for mast installation
Nominálny vybíjací prúd (8/20 µs): 5
Odolnosť proti skratu pre nadprúdovú ochranu na strane siete: 1 kArms
Počet portov: 1
Prerušenie záťažového okruhu v prípade poruchy: yes
Rozsah prevádzkových teplôt: -40 °C ... +80 °C
Skratová odolnosť pre nadprúdovú ochranu na strane siete s 16 A gG: 6 kArms
SPD podľa EN 61643-11 / IEC 61643-11: type 2 / class II
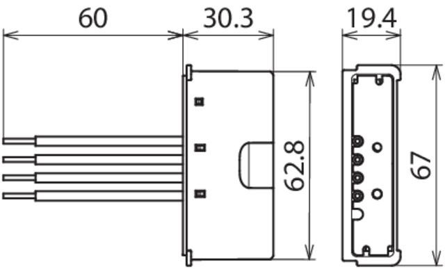
Spojovacie vodiče: 1.5 mm2, 60 mm long
Stupeň ochrany inštalovaného zariadenia: IP 20
Úroveň ochrany napätia [LN]: ≤ 1.5
Úroveň ochrany napätia [LN] pri 1,5 kA: ≤ 0.85
Úroveň ochrany napätia [LN] pri 3 kA: ≤ 1
– Celkový vybíjací prúd: 20

Dokumenty na stiahnutie