Načítavam, čakajte prosím ...
Ochrana pred bleskom a s ním súvisiacim nebezpečenstvom požiaru

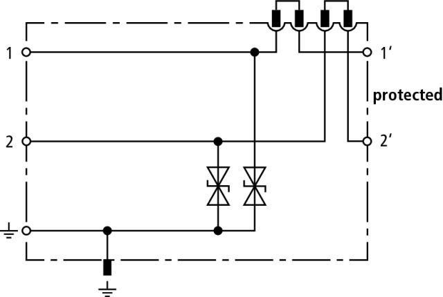
Zvodič prepätia - radová svorka DEHNconnect SD2

dvojpólová

29,70 € s DPH
Na objednávku
Kód: 917988
C1 Celkový menovitý vybíjací prúd (8/20 µs): 0.6
C1 Nominálny vybíjací prúd (8/20 µs) na vedenie: 0.3
Farba: yellow
Hraničná frekvenčná čiara-PG: 5.5
Kapacitná linka: ≤ 0.55 nF
Kapacitná linka-PG: ≤ 1.1 nF
Klasifikácia SIL: up to SIL3 *)
Materiál krytu: polyamide PA 6.6
Max. trvalé prevádzkové napätie (AC): 19.5
Max. trvalé prevádzkové napätie (dc): 28
Menovité napätie: 24
Napäťová ochranná úroveň vedenia pri 1 kV/µs C3: ≤ 76
Nominálny prúd pri 60 °C: 10
Plocha prierezu (flexibilná): 0.34-2.5 mm2
Plocha prierezu (plná): 0.34-2.5 mm2
Pre montáž na: 35 mm DIN rails acc. to EN 60715
Pripojenie (vstup/výstup): spring / spring
Rozsah prevádzkových teplôt: -40 °C ... +80 °C
Schválenia: UL, CSA, SIL, EAC
Skúšobné normy: IEC 61643-21 / EN 61643-21
Stupeň ochrany: IP 20
triedy SPD: W
Úroveň ochrany napätia line-PG pre In C1: ≤ 48
Úroveň ochrany napätia line-PG pri 1 kV/µs C3: ≤ 38
Uzemnenie cez: DIN rail / terminal
Vedenie úrovne ochrany napätia pre In C1: ≤ 96

Dokumenty na stiahnutie