dvojpólová
| Kód: | 917970 |
|---|---|
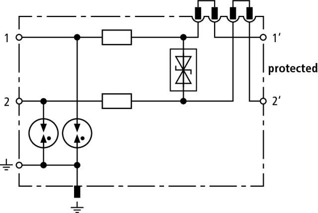
| C2 Celkový menovitý vybíjací prúd (8/20 µs): | 10 |
| C2 Nominálny vybíjací prúd (8/20 µs) na vedenie: | 5 |
| D1 Bleskový impulzný prúd (10/350 µs) na vedenie: | 1 |
| Farba: | yellow |
| Kapacitná linka: | ≤ 25 pF |
| Kapacitná linka-PG: | ≤ 10 pF |
| Klasifikácia SIL: | up to SIL3 *) |
| Linka medznej frekvencie: | 100 |
| Materiál krytu: | polyamide PA 6.6 |
| Max. trvalé prevádzkové napätie (AC): | 6.0 |
| Max. trvalé prevádzkové napätie (dc): | 8.5 |
| Menovité napätie: | 5 |
| Napäťová ochranná úroveň vedenia pri 1 kV/µs C3: | ≤ 14 |
| Nominálny prúd pri 80 °C: | 0.5 |
| Plocha prierezu (flexibilná): | 0.34-2.5 mm2 |
| Plocha prierezu (plná): | 0.34-2.5 mm2 |
| Pre montáž na: | 35 mm DIN rails acc. to EN 60715 |
| Pripojenie (vstup/výstup): | spring / spring |
| Rozsah prevádzkových teplôt: | -40 °C ... +80 °C |
| Rozšírené technické údaje:: | - - - - - - - - - - - - - - - - - - - - |
| Schválenia: | UL, CSA, SIL, EAC, ATEX, IECEx |
| Schválenia ATEX: | DEKRA 17ATEX0046 X: II 3 G Ex ec IIC T6...T4 Gc |
| Schválenia IECEx: | DEK 17.0023X: Ex ec IIC T6...T4 Gc |
| Sériový odpor na linku: | 1.8 ohm |
| Skúšobné normy: | IEC 61643-21 / EN 61643-21 |
| Stupeň ochrany: | IP 00 |
| triedy SPD: | Q |
| Úroveň ochrany napätia line-PG pre In C2: | ≤ 750 |
| Úroveň ochrany napätia line-PG pri 1 kV/µs C3: | ≤ 650 |
| Uzemnenie cez: | DIN rail / terminal |
| Vedenie úrovne ochrany napätia pre In C2: | ≤ 35 |
| – Max. vybíjací prúd (8/20 µs) [1/2 - PG], [1+2 - PG]: | 20 |
| – Úroveň ochrany napätia line-PG pri 1 kV/μs C3 po vystavení Imax: | ≤ 650 |
| Hmotnosť: | 0,04 kg |