Načítavam, čakajte prosím ...
Ochrana pred bleskom a s ním súvisiacim nebezpečenstvom požiaru

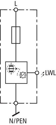
Zvodič bleskových prúdov DEHNbloc Maxi S

Koordinovaný, jednopólový zvodič bleskových prúdov s integrovaným predistením pre inštaláciu na zbernici v sieťach 230/400 V.

300,94 € s DPH
Na objednávku
Kód: 900220
Bleskový impulzný prúd (10/350 µs): 25
Doba odozvy: ≤ 100
Dočasné prepätie (TOV) (UT) – Charakteristika: 440 V / 120 min. – withstand
Dodržujte obmedzenie prúdu / selektivitu: no tripping of a 32 A gG fuse up to 50 kArms (prosp.)
Indikácia prevádzkového stavu: by optical fibre cables via DSI E 3
Materiál krytu: thermoplastic, red, UL 94 V-0
Max. nadprúdová ochrana na strane siete: not required
Max. trvalé prevádzkové napätie (AC): 255 V (50 / 60 Hz)
Menovitá vypínacia kapacita internej záložnej ochrany: 100
Menovité napätie (AC): 230 V (50 / 60 Hz)
Miesto inštalácie: indoor installation
Odolnosť proti skratu: 100 kArms (220 kApeak)
Počet portov: 1
Postupujte podľa aktuálnej hasiacej schopnosti (ac): 50
Pre montáž na: PEN / N busbars min. 35 mm2
Pripojenie: cable lug min. 35 mm² / max. 50 mm²
Rozmery: 72 x 89 x 100
Rozsah prevádzkových teplôt: -40 °C ... +80 °C
Rozšírené technické údaje:: Use in switchgear installations with prospective short-circuit currents of more than 50 kArms (tested by the German VDE)
SPD podľa EN 61643-11 / IEC 61643-11: type 1 / class I
Špecifická energia: 156.25 kJ/ohms
Úroveň ochrany napätia: ≤ 2.5 kV (including 80 cm connecting cable)
– Max. potenciálny skratový prúd: 100 kArms (220 kApeak)
– Obmedzenie / zhasnutie sieťových následných prúdov: up to 100 kArms (220 kApeak)

Dokumenty na stiahnutie