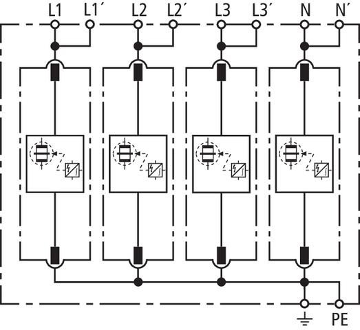
pre trojpólové TN-S systémy
| Kód: | 951400 |
|---|---|
| Bleskový impulzný prúd (10/350 µs) [L, N-PE]: | 25 |
| Bleskový impulzný prúd (10/350 µs) [L1+L2+L3+N-PE]: | 100 |
| Doba odozvy: | ≤ 100 |
| Dočasné prepätie (TOV) [LN] (UT) – Charakteristika: | 440 V / 120 min. – withstand |
| Dodržujte obmedzenie prúdu / selektivitu: | no tripping of a 20 A gG fuse up to 50 kArms (prosp.) |
| Energetická koordinácia s koncovým zariadením (≤ 10 m): | type 1 + type 2 + type 3 |
| Indikácia prevádzkového stavu / poruchy: | green / red |
| Kapacita: | 8 |
| Materiál krytu: | thermoplastic, red, UL 94 V-0 |
| Max. trvalé prevádzkové napätie (AC): | 264 V (50 / 60 Hz) |
| Max. záložná poistka (L) do IK = 50 kArms: | 315 |
| Max. záložná poistka (L-L'): | 125 |
| Menovité napätie (AC): | 230 / 400 V (50 / 60 Hz) |
| Miesto inštalácie: | indoor installation |
| Nominálny vybíjací prúd (8/20 µs) [L/N-PE]/[L1+L2+L3+N-PE]: | 25 / 100 |
| Plocha prierezu (L1', L2', L3', N', 9): | 35 mm2 stranded / 25 mm2 flexible |
| Plocha prierezu (L1, L1', L2, L2', L3, L3', N, N', PE, 9): | 10 mm2 solid / flexible |
| Plocha prierezu (L1, L2, L3, N, PE): | 50 mm2 stranded / 35 mm2 flexible |
| Počet portov: | 1 |
| Postupujte podľa aktuálnej hasiacej schopnosti (ac): | 50 |
| Pre montáž na: | 35 mm DIN rails acc. to EN 60715 |
| Rozsah prevádzkových teplôt [paralelný] / [séria]: | -40 °C ... +80 °C / -40 °C ... +60 °C |
| Rozšírené technické údaje:: | For use in switchgear installations with prospective short-circuit currents of more than 50 kArms (tested by the German VDE) |
| Schválenia: | KEMA, VDE, UL |
| SPD podľa EN 61643-11 / IEC 61643-11: | type 1 + type 2 / class I + class II |
| Špecifická energia [L,N-PE]: | 156.25 kJ/ohms |
| Špecifická energia [L1+L2+L3+N-PE]: | 2.50 MJ/ohms |
| Stupeň ochrany: | IP 20 |
| Úroveň ochrany napätia [L-PE]/[N-PE]: | ≤ 1.5 / ≤ 1.5 kV |
| – Max. potenciálny skratový prúd: | 100 kArms (220 kApeak) |
| – Max. záložná poistka (L) do IK = 100 kArms: | 315 |
| – Obmedzenie / zhasnutie sieťových následných prúdov: | up to 100 kArms (220 kApeak) |