Načítavam, čakajte prosím ...
Ochrana pred bleskom a s ním súvisiacim nebezpečenstvom požiaru

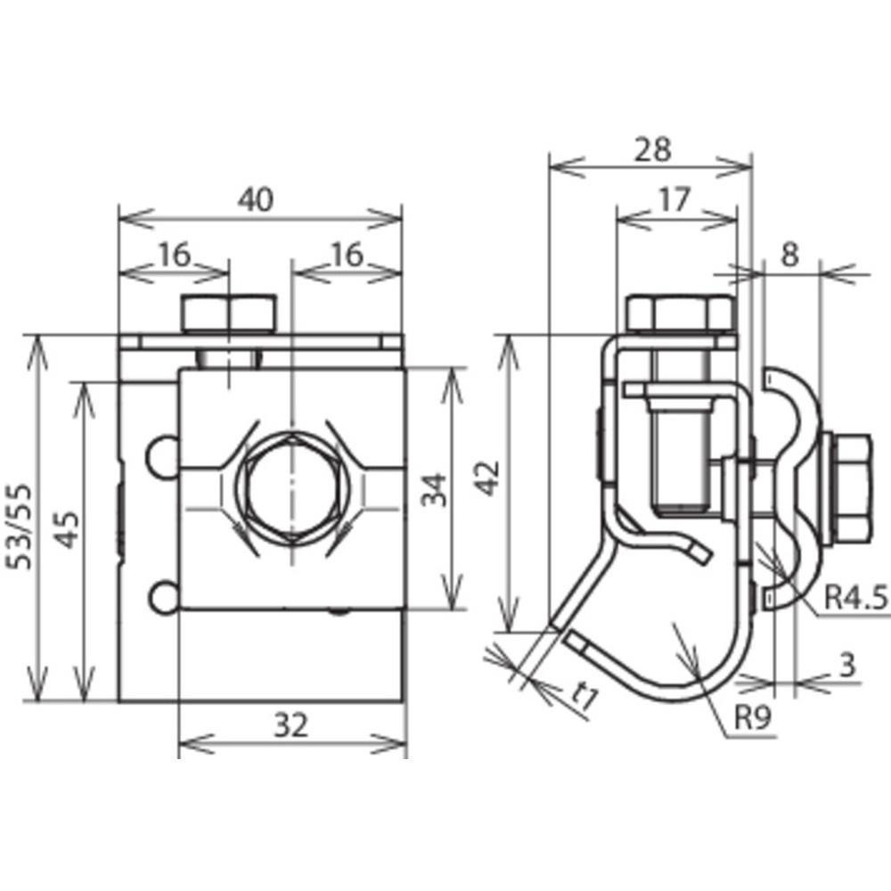
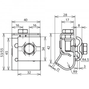
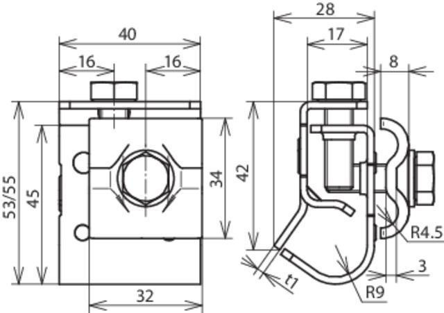
Odkvapová svorka Cu pre zaoblenie 16-22mm

S dvojitou příložkou

10,82 € s DPH / ks
ks
Na objednávku
Kód: 339057
Materiál odkvapovej svorky: Cu
Materiál skrutky: StSt
Materiál svorky vodiča: Cu
Ochrana komponentov: German Patent No. P 38 35 245.1
Rozsah upnutia Rd: 8-10
Schopnosť prenosu bleskového prúdu (10/350 µs): = *)
Šírka / hrúbka materiálu: 40 / 2
Skrutka: di M8 x 20 / 25
Štandardné: EN 62561-1
Upínací rozsah korálok: 16-22
Hmotnosť: 0,15 kg

Dokumenty na stiahnutie