Načítavam, čakajte prosím ...
Ochrana pred bleskom a s ním súvisiacim nebezpečenstvom požiaru

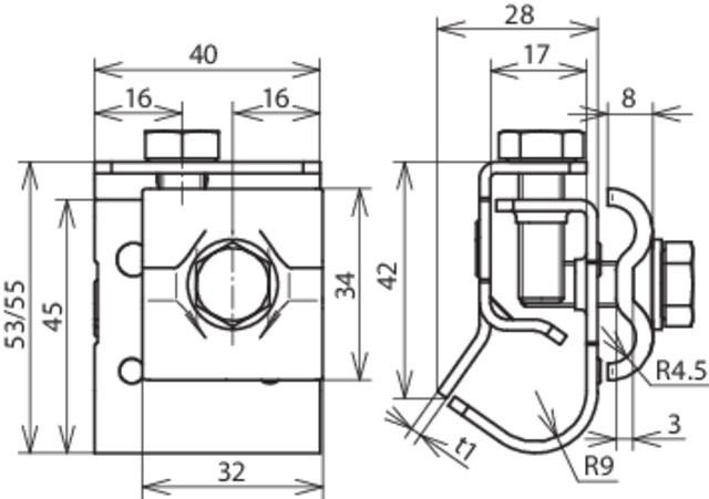
Odkvapová svorka FeZn pre zaoblenie 16-22mm

S dvojitou příložkou

3,86 € s DPH / ks
ks
Na objednávku
Kód: 339050
Materiál odkvapovej svorky: St/tZn
Materiál skrutky: St/tZn
Materiál svorky vodiča: St/tZn
Ochrana komponentov: German Patent No. P 38 35 245.1
Rozsah upnutia Rd: 8-10
Schopnosť prenosu bleskového prúdu (10/350 µs): & *)
Šírka / hrúbka materiálu: 40 / 2
Skrutka: di M8 x 20 / 25
Štandardné: EN 62561-1
Upínací rozsah korálok: 16-22
Hmotnosť: 0,14 kg

Dokumenty na stiahnutie