pre IT systémy
| Kód: | 961175 |
|---|---|
| Bleskový impulzný prúd (10/350 µs): | 25 |
| Doba odozvy: | ≤ 100 |
| Dočasné prepätie (TOV) (UT) – Charakteristika: | 1320 V / 120 min. – withstand |
| Dodržujte obmedzenie prúdu / selektivitu: | no tripping of a 32 A gG fuse up to 50 kArms (prosp.) |
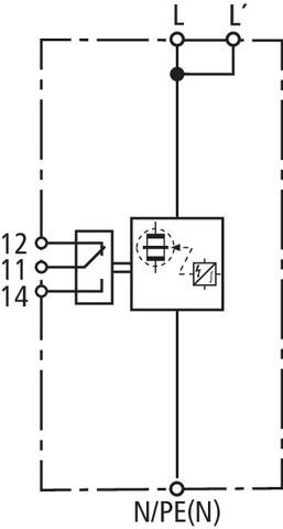
| Indikácia prevádzkového stavu / poruchy: | green / red |
| Kapacita: | 2 |
| Materiál krytu: | thermoplastic, red, UL 94 V-0 |
| Max. trvalé prevádzkové napätie (AC): | 760 V |
| Max. záložná poistka (L) do IK = 25 kArms (ta ≤ 5 s): | 250 |
| Max. záložná poistka (L) pri IK > 25 kArms: | 100 |
| Max. záložná poistka (L-L'): | 125 |
| Menovité napätie (AC): | 690 V |
| Miesto inštalácie: | indoor installation |
| Nominálny vybíjací prúd (8/20 µs): | 25 |
| Plocha prierezu (L'): | 35 mm2 stranded / 25 mm2 flexible |
| Plocha prierezu (L, 9): | 50 mm2 stranded / 35 mm2 flexible |
| Plocha prierezu (L, L', 9): | 10 mm2 solid / flexible |
| Plocha prierezu pre terminály diaľkovej signalizácie: | max. 1.5 mm2 solid / flexible |
| Počet portov: | 1 |
| Postupujte podľa aktuálnej hasiacej schopnosti (ac): | 25 |
| Pre montáž na: | 35 mm DIN rails acc. to EN 60715 |
| Rozsah prevádzkových teplôt (paralelné pripojenie): | -40 °C ... +80 °C |
| Rozsah prevádzkových teplôt (sériové pripojenie): | -40 °C ... +60 °C |
| Schválenia: | UL, CSA |
| SPD podľa EN 61643-11 / IEC 61643-11: | type 1 / class I |
| Špecifická energia: | 156.25 kJ/ohms |
| Spínacia kapacita (ac): | 250 V / 0.5 A |
| Spínacia kapacita (dc): | 250 V / 0.1 A; 125 V / 0.2 A; 75 V / 0.5 A |
| Stupeň ochrany: | IP 20 |
| Typ kontaktu diaľkovej signalizácie: | changeover contact |
| Úroveň ochrany napätia: | ≤ 4 |