Načítavam, čakajte prosím ...
Ochrana pred bleskom a s ním súvisiacim nebezpečenstvom požiaru

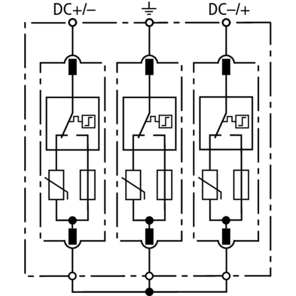
Zvodič prepätia DEHNguard ME

Viacpólový, pre FV aplikácie do 1500V DC

356,73 € s DPH / ks
ks
Na objednávku
Kód: 952520
Celkový vybíjací prúd (8/20 µs): 25
Doba odozvy: ≤ 25
Energetická koordinácia s koncovým zariadením (≤ 10 m): type 2 + type 3
Indikácia prevádzkového stavu / poruchy: green / red
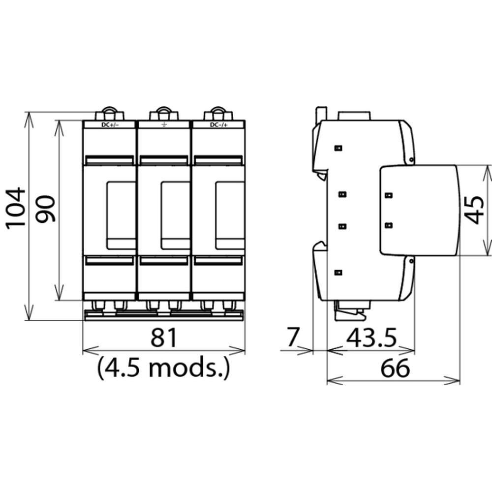
Kapacita: 4.5
Materiál krytu: thermoplastic, red, UL 94 V-0
Max. FV napätie: 1500
Menovitý skratový prúd: 10
Miesto inštalácie: indoor installation
Nominálny vybíjací prúd (8/20 µs) [(DC+/DC-) --> PE]: 12.5
Plocha prierezu (max.): 35 mm2 stranded / 25 mm2 flexible
Plocha prierezu (min.): 1.5 mm² solid / flexible
Počet portov: 1
Pre montáž na: 35 mm DIN rails acc. to EN 60715
Rozsah prevádzkových teplôt: -40 °C ... +80 °C
Schválenia: KEMA, UL
SPD podľa EN 50539-11: type 2
Stupeň ochrany: IP 20
Úroveň ochrany napätia: ≤ 6
Hmotnosť: 0,54 kg

Dokumenty na stiahnutie