Načítavam, čakajte prosím ...
Ochrana pred bleskom a s ním súvisiacim nebezpečenstvom požiaru

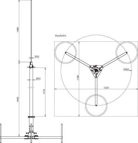
Zachytávací stožiar 50 pre vodič HVI-light SET

s trojnohým statívom L 2900mm

741,56 € s DPH / ks
ks
Na objednávku
Kód: 819380
Dĺžka nosnej rúrky: 1900
Dĺžka odvzdušňovacieho hrotu: 1000
Izolačná vôľa: 1535
Materiál koncovky vzduchovej koncovky: StSt
Materiál nosnej rúrky: GRP / Al
Materiál statívu: St/tZn
Max. rýchlosť nárazového vetra (3 bloky, každý 17 kg): 124
Max. rýchlosť nárazového vetra (6 blokov, každý 17 kg): 168
Max. rýchlosť nárazového vetra (9 blokov, každý 17 kg): 204
Polomer statívu: 560
Priestor potrebný pre statív: 1180 x 1320
Vonkajší priemer Ø: 50
Výška: 2900
Hmotnosť: 13,88 kg

Dokumenty na stiahnutie