Načítavam, čakajte prosím ...
Ochrana pred bleskom a s ním súvisiacim nebezpečenstvom požiaru

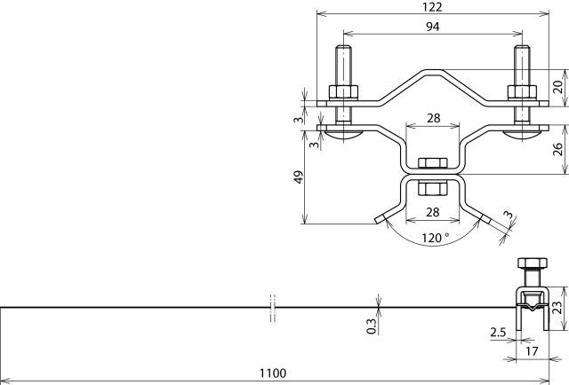
Držiak pre zachytávajúce tyče D 40-50mm

Pásková objímka s upínacím pásikom.

33,20 € s DPH / ks
ks
Na sklade 10 ks
Kód: 105160
Materiál: StSt
Materiál skrutky: StSt
Rozmery popruhu: 25 x 0.3
Rozsah upínania pre vzduchovú koncovku: 40-50
Rozsah upnutia Ø rúrky: 50-300 mm
Štandardné: EN 62561-1
Hmotnosť: 0,51 kg

Dokumenty na stiahnutie