DEHNguard ME DC Uc 950V DC
| Kód: | 972146 |
|---|---|
| Bleskový impulzný prúd (10/350 µs): | 5 |
| Dočasné prepätie (TOV) [DC+ -> DC-] (UT) – Charakteristika: | 950 V (UTOV = UC) |
| Dočasné prepätie (TOV) [DC+/- -> PE] (UT) – Charakteristika: | 950 V / 10 sec. – withstand |
| Indikácia prevádzkového stavu / poruchy: | green / red |
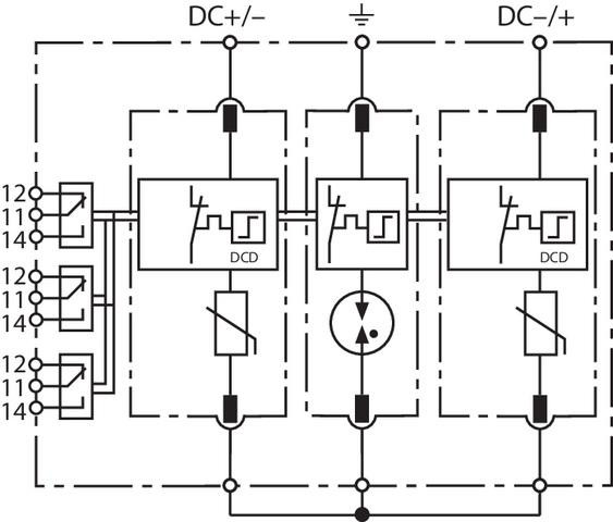
| Kapacita: | 4 |
| Materiál krytu: | thermoplastic, red, UL 94 V-0 |
| Max. odolnosť proti skratu: | 500 A / 170 ms |
| Max. trvalé prevádzkové napätie (dc): | 950 |
| Menovité napätie (dc): | 860 |
| Miesto inštalácie: | indoor installation |
| Nominálny vybíjací prúd (8/20 µs): | 12.5 |
| Plocha prierezu pre terminály diaľkovej signalizácie: | max. 1.5 mm2 solid / flexible |
| Počet portov: | 1 |
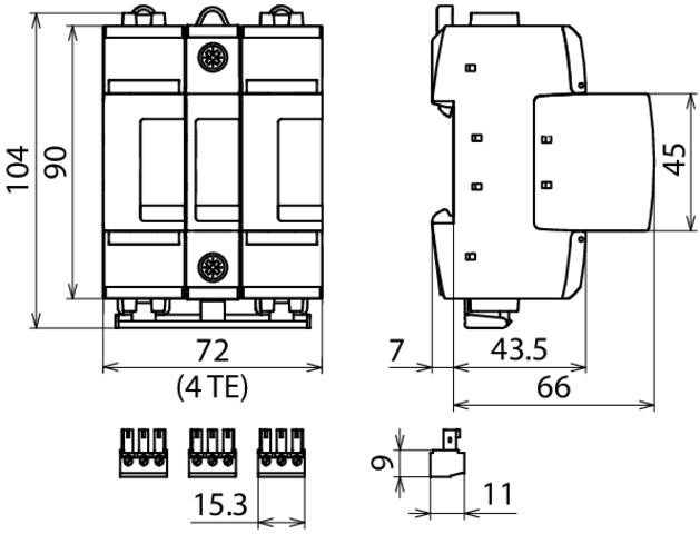
| Pre montáž na: | 35 mm DIN rails acc. to EN 60715 |
| Prierezová plocha: | 1.5 mm2 solid / flexible |
| Prierezová plocha: | 35 mm2 stranded / 25 mm2 flexible |
| Rozsah prevádzkových teplôt: | -40 °C ... +80 °C |
| Rozšírené technické údaje:: | ------------------------------- |
| Schválenia: | UL |
| SPD analogický k EN 61643-11 / IEC 61643-11: | type 1 + type 2 / class I + class II |
| Spínacia kapacita (ac): | 250 V / 0.5 A |
| Spínacia kapacita (dc): | 250 V / 0.1 A; 125 V / 0.2 A; 75 V / 0.5 A |
| Stupeň ochrany: | IP20 |
| Typ kontaktu diaľkovej signalizácie: | changeover contact |
| Úroveň ochrany napätia [(DC+/DC-) --> PE]: | ≤ 3.2 |
| Úroveň ochrany napätia [DC+ -> DC-]: | ≤ 4 |
| – Potrebná záložná poistka: | Bussman HLS 2000Vdc / 200 A 2+/A173 DST aR, manufacturer's Part No.: 170M2040 |
| – Použitie v jednosmerných batériových úložných systémoch až po ISCCR: | ≤ 50 kA (t ≤ 4 ms) |
| – Zvyškové napätie (Ures) @ 1,2 kA: | 2,5 |